Откройте «Новый лист» (Файл → Создать → Фрагмент).

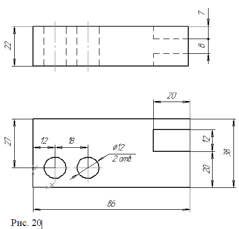
1) Выполните чертеж (рис.1). Начинайте построение с вида сверху. При выполнении чертежа используйте глобальные, локальные и клавиатурные привязки:
Для создания вида сверху необходимо сделать несколько действий:
На панели компактная выберите кнопку Геометрия
. Ниже появятся различные геометрические фигурыВыберите объект прямоугольник
и на панели Свойства введите Высоту прямоугольника – 38 и Ширену – 86 и наведите курсор на поле чертежа чуть ниже середины, нажмите левую кнопку мыши.Для создания выреза необходимо начертить вспомогательные линии. Для этого на панели инструментов нужно выбрать Параллельные прямые
и провести вертикальную линию на расстоянии 20 см.Щёлкните на вертикальную линию с права и на линии, появившейся внутри прямоугольника нажмите левой кнопкой мыши. Для отмены ввода второй линии на клавиатуре нажмите на кнопку ESC.
Тосно также создайте горизонтальные вспомогательные линии первая на расстоянии 20 см от нижней линии, вторая на расстоянии 32 см от нижней линии.
Начертите отрезки используя инструмент Отрезок

Для создания окружностей также проведите вспомогательные линии. Одну горизонтальную на расстоянии 27 см от верхней линии прямоугольника
Две вертикальные первая на расстоянии 12 см от левого края и вторая на расстоянии 18 см от первой вспомогательной линии.
Создаем две окружности диаметром 12 см. На панели свойств выбираем окружность с осевой линией

Вид с верху готов
Для создания вида с боку необходимо сделать несколько действий:
Первое, что нужно сделать – это провести вертикальные вспомогательные линии
Далее создаем одну горизонтальную вспомогательную линию
.
Выберите объект прямоугольник
и на панели Свойства введите Высоту прямоугольника – 22 и Ширену – 86 и на место пересечения вспомогательных линий с левой стороны.Далее нам необходимо провести ещё несколько вспомогательных линий
Далее создаем отрезки с помощью штриховых линий. Штриховой стиль линии можно задать на панели свойств


Создаем осевые линии. Аналогично созданию Штрихового отрезка

Далее также с помощью вспомогательных параллельных линий создаем штриховые отрезки с правой стороны первая горизонтальная на расстоянии 7 см от верхней линии прямоугольника и вторая горизонтальная на расстоянии 8 см от первой вспомогательной линии.
Далее создаем отрезки с помощью штриховых линий. Штриховой стиль линии можно задать на панели свойств

Далее удаляем вспомогательные линии меню Редактор-Удалить-Вспомогательные кривые и точки – В текущем виде
И чертёж примет готовый вид

Размеры на чертеже проставлять не нужно.
Покажите все выполненные работы преподавателю.

Практическая работа по теме: Компас 3D (116.28 KB)

