Тестовые задания
по технологии
Номинация: «Техника и техническое творчество»
8 -9 класс.
Инструкция для учащихся.
Тестовые задания обеспечивают возможность объективной оценки Ваших знаний и умений в баллах по единым критериям.
До начала выполнения тестового задания внимательно прочитайте полностью задание.
Выполняйте задания в предложенной последовательности.
Не задерживайтесь слишком долго, если не сможете выполнить определенное задание, переходите к следующему, лучше вернуться к нему в конце, если останется время.
В тестовом задании с выбором, правильных ответов может быть один или два. Знак + или V поставить в прямоугольнике напротив правильного ответа.
Тестовое задание считается выполненным, если в нем отмечены или записаны все правильные ответы и не отмечено ни одного неправильного ответа.
За каждое правильно выполненное тестовое задание участник конкурса получает - 1 балл, если неправильно выполнено – 0 баллов.
По данному комплекту можно получить максимальное количество – 35 баллов.
Приступайте к выполнению задания.
Желаем удачи!
В рамках образовательной области «Технология» изучаются:
организация производства;
воздействие человека на природу;
проблемы загрязнения окружающей среды;
взаимодействие общественных групп и индивидуумов;
процессы преобразования материи, информации и энергии.
2. К технологическим машинам относятся:
эскалатор;
мотоцикл;
токарный станок;
космический корабль.
3. Способом обработки металла резанием является:
клепка;
окраска;
гибка;
фрезерование.
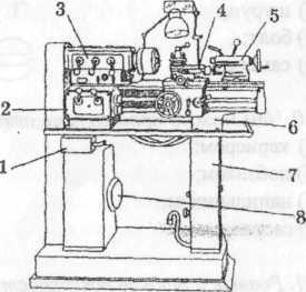
4. Поставьте в таблицу цифры, соответствующие названиям деталей и узлов токарно-винторезного станка, обозначенных буквами:

а) электродвигатель
б) электропускатель
в) станина
г) суппорт
д) коробка передач
e) коробка скоростей
ж) фартук
з) задняя бабка
| Буквенные обозначения | а | б | в | г | д | е | ж | з |
| Цифровые обозначения | | | | | | | | |
5. Ровные и гладкие поверхности детали из древесины получают с помощью:
лучковой пилы;
ножовки;
рубанка;
шерхебеля.
6. Сведения о процессе изготовления детали или изделия содержатся:
в чертежах,
в рисунках.
в технологических картах,
в инструкционных картах.
7. К энергетическим машинам относится:
а) токарный станок;
б) швейная машина;
в) генератор;
г) сверлильный станок.
8. В нашей стране используются квартирные электрические сети:
а) переменного тока с частотой 60 Гц;
б) постоянного тока с напряжением 220В;
в) переменного тока с напряжением 110 В;
г) переменного тока с напряжением 220 В;
д) постоянного тока с напряжением 110 В.
9. Тепловое действие электрического тока используется в:
а) контакторах;
б) электроутюгах;
в) электроплитах;
г) люминесцентных лампах;
д) коллекторных двигателях.
10. Выберите один правильный ответ. Для передачи информации в радио-телефонной и пейджерной связи используются:
а) телефонные провода;
б) линии электропередачи;
в) электромагнитные волны;
г) оптико-волоконные линии;
д) радиотрансляционная сеть.
11. Устройство для преобразования звуковых колебаний в электромагнитные называется:
а) телефоном;
б) динамиком;
в) микрофоном;
г) громкоговорителем;
д) акустической системой.
12. Самую высокую информационную нагрузку несет канал:
а) осязания;
б) слуха;
в) обоняния;
г) зрения;
д) мышечных рецепторов.
13. Лектор читает лекцию о вреде курения. Он излагает Вам:
а) сведения;
б) информацию;
в) знания;
г) сообщения;
д) сведения и знания.
14. Самым предпочтительным носителем информации на современном этапе является:
а) бумага;
б) средства видеозаписи;
в) лазерный компакт-диск;
г) дискета, жесткий диск;
д) магнитная лента.
15. Найдите по наглядному изображению детали А соответствующий ей чертеж:

16. Правильно указан размер на чертеже:
а
)
б)
в)
17. Впишите в таблицу наименование изображений:

18. Какие детали являются годными, если размер детали по чертежу равен 44±0,2:
а) 44,3;
6) 43,7;
в) 44,5;
г) 44,2
19. Какой контрольно-измерительный прибор целесообразнее использовать для осуществления контроля при изготовлении цилиндрической детали с точностью 0,1 мм:
а) линейка-рулетка;
б) микрометр;
в) штангенциркуль ШЦ-1;
г) штангенциркуль ШЦ-3.
20. Выберите один правильный ответ.
В данном регионе стоимость товаров, необходимых в среднем человеку для удовлетворения основных потребностей, равна 1000 руб. в месяц. Какой здесь прожиточный минимум семьи, состоящей из двоих родителей и ребенка:
а) 2000 руб.;
б) 3000 руб.;
в) 4000 руб.;
г) 5000 руб.;
д) 6000 руб.
21. Выберите один наиболее правильный ответ. Семейный бюджет—это:
а) план доходов семьи;
б) план расходов семьи;
в) сумма денежных средств семьи;
г) план доходов и расходов семьи;
д) суммарная заработная плата всех членов семьи за год.
22. За первый год работы акционерное общество выпустило и распространило 5000 акций номинальной стоимостью 100 руб. каждая, а также получило прибыль в размере 5 млн. руб. В течение того же года в качестве кредита от банка было получено 200000 руб. Что вы можете сказать о размере уставного фонда этого акционерного общества:
а) информации недостаточно;
б) 5700000 руб.;
в) 5500000 руб.;
г) 5000000 руб.;
д) 700000 руб.;
е) 500000 руб.
23. Выберите один правильный ответ. Для профессий типа «человек-человек» основной трудовой функцией является:
а) работа с числами;
б) обработка материалов;
в) уход за животными и растениями;
г) создание произведений искусства;
д) взаимодействие с другими людьми.
24. Из перечня приведенных понятий выделите те, которые обозначают профессии:
а) токарь;
б) директор школы;
в) литературный критик;
г) маляр;
д) учитель географии;
е) президент.
25. В каком учебном заведении можно получить высшее образование?
а) школа, лицей;
б) институт, университет;
в) профессиональное училище;
г) учебный комбинат;
д) во всех перечисленных.
26. К отделочным работам в строительстве относятся:
а) укладка паркета;
б) побелка потолков;
в) устройство кровли;
г) установка оконных рам;
д) монтаж электропроводки.
27. Способом создания мозаики но дереву является:
а) воскование;
б) полирование;
в) резьба;
г) выполнение инкрустации;
д) роспись.
28. Выберите один правильный ответ. Для поперечного пиления древесины используют пилу с зубьями формы ...
1
.

2.
3.
29. Ровные, гладкие поверхности детали из древесины получают с помощью:
а) лучковой пилы;
б) ножовки;
в) стамески;
г) рубанка.
30. Отметьте цифрами хронологическую последовательность возникновения художественных стилей:
[ ] готический;
[ ] античный;
[ ] романский;
[ ] Возрождение.
31. Для уменьшения загрязнения окружающей среды надо:
а) увеличить затраты материалов на производство;
б) увеличить затраты энергии на производство;
в) увеличить выпуск продукции;
г) перерабатывать отходы..
32. Переработка отходов позволяет:
а) уменьшить стоимость исходной продукции;
б) уменьшить загрязнения гидросферы;
в) увеличить выпуск исходной продукции;
г) сохранить ресурсы.
33. Выполнение проекта начинается:
а) со сбора информации для выполнения проекта;
б) с формулировки проблемы и требований к изделию;
в) с выдвижения идеи выполнения проекта;
г) с изготовления чертежей и технологической документации
34. Чем можно просверлить отверстие в металле толщиной 5 мл?
а) кернером;
б) лобзиком;
в) напильником;
г) сверлом.
35. Для изготовления посуды и кухонных принадлежностей используют древесину:
а) лиственных пород
б) хвойных пород
в) любых пород
г) смешанных пород
Эталоны ответов на тестовые задания
Номинация: «Техника и техническое творчество». 8 -9 класс.
5
3
3. 4
4.
| Буквенные обозначения | а | б | в | г | д | е | ж | з |
| Цифровые обозначения | 8 | 1 | 7 | 4 | 2 | 3 | 6 | 5 |
5. 3
6. 4
7. в
8. г
9. б, в
в
в
г
а
в
2.
в
| № | Наименование |
| 1. | план |
| 2. | аксонометрическая проекция |
| 3. | чертеж |
| 4. | развертка |
г
в
б
а
б
д
а, г
б
б
г
1.
г
3 - готический
1 – античный
2 – романский
4 - Возрождение
г
г
б
г
а
Тестовые задания
по технологии
Номинация: «Техника и техническое творчество»
10 -11 класс.
Инструкция для учащихся.
Тестовые задания обеспечивают возможность объективной оценки Ваших знаний и умений в баллах по единым критериям.
До начала выполнения тестового задания внимательно прочитайте полностью задание.
Выполняйте задания в предложенной последовательности.
Не задерживайтесь слишком долго, если не сможете выполнить определенное задание, переходите к следующему, лучше вернуться к нему в конце, если останется время.
В тестовом задании с выбором, правильных ответов может быть один или два. Знак + или V поставить в прямоугольнике напротив правильного ответа.
Тестовое задание считается выполненным, если в нем отмечены или записаны все правильные ответы и не отмечено ни одного неправильного ответа.
За каждое правильно выполненное тестовое задание участник конкурса получает - 1 балл, если неправильно выполнено – 0 баллов.
По данному комплекту можно получить максимальное количество – 40 баллов.
Приступайте к выполнению задания.
Желаем удачи!
1. В рамках образовательной области «Технология» изучаются:
а) организация производства,
б) воздействие человека на природу,
в) проблемы загрязнения окружающей среды,
г) взаимодействие общественных групп и индивидуумов,
д) процессы преобразования материи, информации и энергии.
2. Расположите по времени, начиная с самого раннего, следующие изобретения:
а) паровая машина;
б) электрический двигатель;
в) двигатель внутреннего сгорания;
г) радио;
д) транзистор;
е) телефон;
ж) ЭВМ;
з) токарный станок.
3. Проставьте рядом с цифрами буквенные обозначения деталей и узлов сверлильного станка.
1 –
2 –
3 –
4 –
5 –
6 –
7 –
а - ременная передача, б - привод,
в - рукоятка ручной подачи,
г - стол, д -патрон, е - механизм подъема шпиндельной
бабки,
ж - рукоятка для закрепления шпиндельной бабки
4. Способом обработки металла резанием является:
а) клепка
б) прокатка
в) гибка
г) сверление
5. Как называется документ, в котором записан весь процесс обработки изделия с указанием технологических операций и их составных частей, материалов, конструкторской документации и технологической оснастки?
а) маршрутная карта;
б) операционная карта;
в) технологическая карта.
6. При получении отверстия в качестве режущего инструмента на станке используется:
1. метчик
2. резец
3. сверло
4. развертка
7. После замыкания ключа К в цепи

а) лампа Л1 станет гореть более тускло;
б) лампа Л1 станет гореть ярче;
в) лампа Л1 горит без изменений;
г) лампа Л1 станет гореть ярче.
8. К техническим устройствам, в которых используется электромагнитное
действие электрического тока, относятся:
а) осветительные приборы;
б) нагревательные приборы;
в) электрические двигатели и генераторы;
г) плавкие предохранители;
д) линии электропередачи.
9. В схеме домашней елочной электрогирлянды лампы соединены:
а) параллельно;
б) последовательно;
в) частично последовательно, частично параллельно.
10. Основную часть используемой людьми электрической энергии создают:
а) атомные электростанции;
б) гидроэлектростанции;
в) тепловые электростанции;
г) ветроэлектростанции.
11. Электрическая энергия передается по линиям электропередачи высокого напряжения, потому что:
а) проще строить линии передачи высокого напряжения;
б) высокое напряжение более безопасно;
в) меньшие потери в проводах;
г) высокое напряжение удобно использовать.
12. Соотнесите, какая из прикладных программ является средством обработки:
графической информации текстовой информации числовой информации | a) Word; б) Paint; в) Access; г) Excel; д) PowerPoint. |
1. –
2. –
3. –
13. Основные действия, выполняемые над информацией:
а) обмен, передача, хранение, обработка;
б) прием, передача, обработка;
в) обмен, хранение, обработка;
г) накопление, прием, передача, хранение;
д) поиск, обмен, хранение, обработка.
14. Какие из всех перечисленных программ входят в стандартный набор системы?
а) блокнот, калькулятор, графический редактор Paint, WordPad;
б) блокнот, калькулятор, графический редактор Paint, Word;
в) блокнот, калькулятор, графический редактор CorelDraw, WordPad;
г) графический редактор Paint, WordPad;
д) Word, Excel, Access, Power Point.
15. Найдите по наглядному изображению детали А соответствующий ей чертеж:

16. Найдите правильно выполненный разрез:

Ответ 1:_______________
Ответ 2: _______________
17. Найдите правильное изображение резьбы в отверстии:
18. Напишите буквенные обозначения сечений, соответствующих чертежам:
1 - ____________________ 2 - ______________________
3 - ____________________ 4 - ______________________

19. Какой контрольно-измерительный прибор целесообразнее использовать для осуществления контроля при изготовлении цилиндрической детали с точностью 0,1 мм:
а) линейка-рулетка;
б) микрометр;
в) штангенциркуль ШЦ-1;
г) штангенциркуль ШЦ-3.
20. Какие детали являются годными, если размер детали по чертежу равен 44±0,2:
а) 44,3;
6) 43,7;
в) 44,5;
г) 44,2
21. Какие экономические показатели определяют расходную часть семейного бюджета:
а) дополнительные трудовые доходы;
б) пенсии, стипендии, денежные пособия;
в) заработная плата членов семьи;
г) квартплата, покупки.
22. Прожиточный минимум в данном регионе равен 1500 рублей. Семья
живет на зарплату родителей. Какая должна быть минимальная зарплата родителей, если семья состоит из мужа, жены и ребенка:
а) 2000 руб.;
б) 3000 руб.;
в) 4500 руб.;
г) 6000 руб.
23. Основными задачами маркетинга являются:
а) продажа и покупка акций;
б) увеличение выпуска продукции;
в) оснащение производства новым оборудованием;
г) выявление потребностей рынка и реклама выпускаемой продукции.
24. К профессиям типа «человек - знаковая система» относятся:
а) слесарь;
б) водитель;
в) врач;
г) чертежник.
25. К профессиям типа «человек - человек» относятся:
а) программист;
б) токарь;
в) слесарь;
г) педагог.
26. Для профессий типа «человек - техника» основной трудовой функцией является:
а) взаимодействие с другими людьми;
б) уход за животными и растениями;
в) преобразование материалов и энергии;
г) создание произведений искусства.
27. К отделочным работам в строительстве относятся:
а) настилка полов;
б) застекление окон;
в) монтаж электропроводки;
г) побелка потолков.
28. В малярных работах чистота окрашиваемой поверхности во многом
зависит от:
а) силы нажима на кисть;
б) качества краски;
в) цвета краски.
29. Для выдалбливания отверстия в кирпичной стене используют:
а) кернер;
б) шлямбур;
в) крейцмейсель.
30. Напильники, используемые для чистового опиливания металлов с точностью 0,1- 0,25 мм называется:
а) личными
б) драчевыми
в) бархатными
г) рашпильными (рашпилями)
31. Центр художественной обработки древесины:
а) Гжель;
б) Хохлома;
в) Кубани;
г) Дымково.
32. Видом художественной обработки металла является:
а) точение;
б) сверление;
в) пиление;
г) чеканка.
33. Парниковый эффект вызван:
а) загрязнением гидросферы;
б) выбросом в атмосферу некоторых газов;
в) опустыниванием;
г) эрозией почв.
34. Выпадение кислотных дождей происходит из-за:
а) выбросов в атмосферу двуокиси углерода;
б) выбросов в атмосферу окислов серы и азота;
в) выбросов в атмосферу фреонов.
35. Выполнение проекта начинается:
а) с определения потребностей и возможностей проектной
деятельности;
б) с изготовления проектного изделия;
в) со сбора информации для выполнения проекта;
г) с выдвижения идеи выполнения проекта.
36. Для выдвижения идеи выполнения проекта необходимо:
а) разработать технологическую карту выполнения изделия;
б) сформулировать проблему и собрать необходимую информацию;
в) оценить экономические и экологические свойства проектного изделия.
37. Определите, какие проекции соответствуют модели, показанной слева на наглядном изображении:

1 2 3
38. Какой элемент не входит в понятие «культура труда»:
а) организация трудового процесса;
б) подготовка рабочего места;
в обеспечение безопасности работы;
г) оплата труда.
39. Какие изделия изготавливают из тонколистового металла?
а) гвозди;
б) ведра;
в тиски;
г) гайки.
40. Обязан ли индивидуальный предприниматель регистрировать свою деятельность?
а) не обязан;
б) обязан в установленном порядке;
в) не обязан, если он занимается предпринимательством систематически;
г) обязан только в том случае, если он предупрежден о необходимости регистрации.
Эталоны ответов на тестовые задания
Номинация: «Техника и техническое творчество»
10-11 класс.
д
2. з, а, б, е, г, ж, д
3. 1-г
2-д
3-в
4-а
5-б
6-ж
7-е
4. г
в
3.
б
в
б
в
в
1-б
2-а
3-г
13. в
14. а
15. 2.
16. 1-б
2-а
17. в
18. I - г
II- а
19. в
20 г
21 г
22 в
23 г
24 г
25 г
26 в
27 г
28 а
29 б
30 а
31 б
32 г
33 б
34 б
35 а
36 б
37 г
38 г
39 б
40 б