Управление образования г.Астана
Политехнический колледж
Методическая разработка олимпиады по дисциплине
«Техническая механика»
Разработали преподаватели:
Грошева Е.Ю., Манарбек М.
Рассмотрено и одобрено
на заседании ЦМК
общетехнических дисциплин
Протокол № от __ 12.2014 г.
Председатель ЦМК: Картаева С.Х.
2014 г.
Участники олимпиады
Сск-14-13б:
Айтхожина Нургуль
Кабдуалиев Арман
Катаев Адиль
Буйдахмет Оразалы
Айсабекова Жазира
Ск-13-15б:
Сейлбек Саяш
Кыздарбеков Амиржан
Курган Владислав
Тс-14-30эб:
Кабдей Бекжан
Нартов Дмитрий
Калугин Владимир
Цели олимпиады
1. Дидактическая:
1.1. Закрепление, обобщение и укрепление знаний по изучаемому материалу.
1.2. Систематизация знаний и умений.
1.3. Закрепление умений и навыков.
2. Развивающая:
2.1. Развитие познавательного интереса к предмету.
2.1. Развитие творческого подхода к решению поставленных задач.
2.3. Развитие аналитических способностей, умение выражать свои мысли, делать самостоятельные выводы.
3. Воспитательная:
3.1. Воспитание интереса и положительного отношения к предмету.
3.2. Воспитание личностных качеств - дисциплинированности, самостоятельности, усидчивости.
3.3. Воспитание культуры труда.
4. Методическая:
4.1. Применение нетрадиционной формы проверки знаний и умений
Ход олимпиады
1 этап - подготовительный
От каждой группы отбираются наиболее способные учащиеся. Они знакомятся с темами заданий, которые им придется выполнить на олимпиаде, решают подобные задачи. Также им дается список литературы, параграфы, над которыми им необходимо поработать. Сообщается, что им необходимо иметь при себе на олимпиаде: чертежные инструменты- карандаши, линейку, резинку, калькулятор.
Сообщается время и место проведения олимпиады участникам.
2 этап - проведение олимпиады
Программа олимпиады включает в себя задания различных вариантов, включающее в себя следующие пункты:
1.Ответить на теоретические вопросы;
2.Решить задачи по разделу «Статика»
3. Решить задачи по разделу «Сопротивление материалов»



Учащиеся получают задания индивидуальные, листы А4 и начинают выполнять задание. На выполнение заданий отводится 1 час 30 мин.
Задания сдают преподавателю по мере выполнения и он проставляет время окончания работы, это учитывается при оценке.
Работы оцениваются по пятибальной системе, три задания, в сумме которых можно 25баллов (учитывают: правильность решения, вывод, правильность эпюр, аккуратность и единицы измерения).
Задания оцениваются преподавателями данной дисциплины:
Манарбек М.М
Грошева Е.Ю.
3 этап - объявление результатов и награждение победителей.
| № | Ф.И.О. | Группа | Баллы | Сум-ма | Место | Преподаватель |
-
| Кабдей Бекжан | Тс-14-30эб | 4, 3, 3,3, 3 | 20 | III | Грошева Е.Ю. |
-
| Айтхожина Нургуль | Сск-14-13б | 5, 3, 3, 3, 4 | 18 | V | Грошева Е.Ю. |
-
| Калугин Владимир | Тс-14-30эб | 2, 2, 2, 2, 2 | 10 | VIII | Грошева Е.Ю. |
-
| Кабдуалиев Арман | Сск-14-13б | 5, 5, 4, 4, 4, | 22 | I | Грошева Е.Ю. |
-
| Сейлбек Саяш | Ск-13-15б | 4, 5, 5, 3, 4 | 21 | II | Грошева Е.Ю. |
-
| Курган Владислав | Ск-13-15б | 3, 4, 4, 3, 3 | 17 | VI | Грошева Е.Ю. |
-
| Катаев Адиль | Сск-14-13б | 5, 2, 4, 4, 4 | 19 | IV | Грошева Е.Ю. |
-
| Буйдахмет Оразалы | Сск-14-13б | 4, 4, 4, 4, 4 | 20 | III | Грошева Е.Ю. |
-
| Кыздарбеков Амиржан | Ск-13-15б | 4, 4, 4, 2, 4 | 18 | V | Грошева Е.Ю. |
-
| Нартов Дмитрий | Тс-14-30эб | 3,2,3,3,3 | 14 | VII | Грошева Е.Ю. |
-
| Айсабекова Жазира | Сск-14-13б | 4, 5, 4, 4, 4 | 21 | II | Грошева Е.Ю. |
Оценочный лист
Результаты
олимпиады
по технической
механике
I место Кабдуалиев Арман Сск-14-13б
(22 из 25 возможных)
II место Сейлбек Саяш Ск-13-15б
(21 из 25)
Айсабекова Жазира Сск-14-13б
(21 из 25)
III место Буйдахмет Оразалы Сск-14-13б
(20 из 25)
Кабдей Бекжан Тс-14-30эб
(20 из 25)
Поздравляем победителей!
Приложение А
Задания для олимпиады
Задание 1
Тема: ОЛИМПИАДА
Какой вид деформации возникает в проволоке цилиндрических винтовых пружин
Найдите ошибки в приведенных ниже уравнениях равновесия для балки, изображенной на рисунке.
∑Ма=0q*2a*a +P*3a-Rb*4a=0
∑Мв=0-P*a-q*2a*3a+Ra*4a=0
∑Рn=0 Ra-P-q*2a+Rb=0

Рис.1
3.Расчет стального ступенчатого бруса - N, σ,∆L.

F1=10kH
F2=12kH
F3=16kH
A1=320mm2
A2=280mm2
Задание 2.
Тема: ОЛИМПИАДА
Для какой части стержня не изменится его деформация при переносе силы из точки А в точку В- для участка СВ, для участка СА, для участка АВ. 
Велосипедная спица резко искривилась под действием сжимающей силы. Скажите, почему произошло изменение прямолинейной спицы?
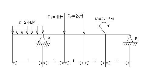
Определить реакции опор у однопролетной балки.

Задание 3.
Тема: ОЛИМПИАДА
Определение реакций опор жестко закрепленной балки:

Если мокрое белье вешать на слишком натянутую веревку – она порвется. Почему?
Расчет ступенчатого бруса. Определить N, σ,∆L. Построить эпюры. 
Задание 4.
Тема: ОЛИМПИАДА
Р
асчет стального ступенчатого бруса – N, σ,∆L. Построение эпюр.
Определить усилия в стержнях.

3. Как в сопротивление материалов принято называть тело, длина которого значительно больше размеров его поперечного сечения? Какие элементы вы знаете еще?
Задание 5.
Тема: ОЛИМПИАДА
Почему легче вытащить гвоздь из стены, вращая его?
Определить реакции опор у балки на 2-х опорах. 
3. Проверить прочность стальных брусьев, если [σ] = 160 Н/мм2. 
Задание 6.
Тема: ОЛИМПИАДА
1. Построить эпюры поперечных сил Q и моментов изгибающих М. 
2.Определить требуемую площадь А поперечного сечения стального бруса, если [σ] = 160 Н/мм2.

Зависит ли нормальное напряжение, возникающее при растяжении, сжатии:
А) от формы поперечного сечения, б) от материала из которого он изготовлен.
Задание 7.
Тема: ОЛИМПИАДА
Как можно проверить задачу на растяжение, сжатие по схеме.
Р
асчет стального ступенчатого бруса.
Определить реакции опор балки на 2-х опорах.

Задание 8.
Тема: ОЛИМПИАДА
От чего зависит движение бумеранга?
Расчет стального ступенчатого бруса - N, σ,∆L.

F1=10kH
F2=12kH
F3=16kH
A1=320mm2
A2=280mm2
Определение реакций опор балки на 2-х опорах. 
Задание 9.
Тема: ОЛИМПИАДА
Построить эпюры поперечных сил Q и моментов изгибающих М. 
Определить требуемую площадь А поперечного сечения стального бруса, если [σ] = 160 Н/мм2.

Сформулировать закон Гука при растяжении, сжатии и сдвиге и смятии: определение, формулу, объяснение.
Задание 10.
Тема: ОЛИМПИАДА
Где возникает продольная сила N, какой вид деформации возникает, как изменяется длина бруса (схему)
Рассчитать брус- продольную силу Nи нормальное напряжение σ. Построить эпюру. 
Определить усилия в стержнях.

Задание 11.
Тема: ОЛИМПИАДА
Понятие эпюры. Последовательность построения. Что показывает?
Какие виды расчета производят в сопромате, для чего?
Определить продольную силу N ,нормальное напряжение σ и ∆l. .
Определить усилия в стержнях.
Задание 12.
Тема: ОЛИМПИАДА
Свойство материалов: прочность, устойчивость, жесткость, пластичность, упругость, хрупкость – пример.
Построить эпюры N и рассчитать брус.
Определить реакции опор балки.
Задание 13.
Тема: ОЛИМПИАДА
Как в сопротивление материалов принято называть тело, длина которого значительно больше размеров его поперечного сечения?
Чему равна продольная сила в поперечном сечении А-А и Б-Б бруса( рис.1.) Построить
эпюру продольных сил.

Понятие эпюры. Последовательность построения. Что показывает?
Определить усилия в стержнях.
Задание 14.
Тема: ОЛИМПИАДА
Какой деформации подвергается брус (растяжению или сжатию), если его поперечные размеры увеличились.
Будет ли работа конструкции нормальной, если в ее элементах возникает пластическая деформация.
Определить реакции опор балки
Задание 15.
Тема: ОЛИМПИАДА
Как надо прыгать из движущего поезда? Объяснить.
Определить реакции опор балки.
Определить усилия в стержнях.
Приложение Б
Титульный лист для участников олимпиады
Политехнический колледж г. Астана
Титульный лист работы участника Олимпиады
Олимпиада по технической механике
_______________________________________________________________
Фамилия, имя, отчество участника Олимпиады
Код и наименование специальности по Классификатору, номер учебной группы
группа
Фамилия, имя, отчество преподавателя
________________________________________________________________________
Индивидуальный шифр (вариант) __________________________________________
«_____» ____________________2014 г.
Подпись участника олимпиады ____________________________