Тема урока:
Повторительно-систематизирующий урок-соревнование по теме «Удивительное электричество»Цель урока: в нетрадиционной, занимательной форме повторить основной программный материал, развить познавательную активность и творчество учащихся, их смекалку, наблюдательность и чувство юмора, расширить технический кругозор.
Развивающие задачи: развить и закрепить навыки решения экспериментальных, расчетных и качественных задач, развить устную речь учащихся, учить применять знания в новой ситуации; учить грамотно объяснять происходящие физические явления, формировать навыки коллективной работы в сочетании с самостоятельной деятельностью учащихся.
Задача учителя на уроке: создание условий для проявления активности обучаемых, развития их индивидуальности; развития исследовательской компетентности учащихся; повышения их интереса к предмету.
Эпиграф:
Науку все глубже постигнуть стремись.
Познанием вечного жаждой томись.
Лишь первых познаний блеснет тебе свет,
Узнаешь: предела для знания нет.
Фирдоуси
(персидский и таджикский поэт, 940-1030 гг.)
Плакат:
Пусть кипит работа,
Сложны соревнования,
Успех решает не судьба,
А ваши знанья!
ХОД УРОКА:
Организационный момент (до начала урока):
выбор жюри.
деление учащихся класса на 2 команды, выбор названия команды, капитана.
Вступительное слово учителя:
Сегодня вспомним все о токах —
Заряженных частиц потоках.
И про источники, про схемы,
И нагревания проблемы,
Ученых, чьи умы и руки
Оставили свой след в науке,
Приборы и цепей законы,
Кулоны, Вольты, Омы,
Решим, расскажем, соберем,
Мы с пользой время проведем!
И победителей найдем!
1-й конкурс «Разминка»:
Команды должны ответить на предложенные им вопросы и, выполнив задания, получить два слова-пароля, которые и станут словами-напутствиями на дальнейший успех. (Ответы сдаются жюри).
Вопросы задания для 1-й команды:
Одна из наук о природе (взять 3-ю букву).
Положительный электрод электрического аккумулятора (взять 2-ю букву).
Единица измерения силы тока (взять 1-ю букву).
Частица, которую ученые обнаружили в составе ядра (взять 1-ю букву).
Вещество, не проводящее электрический ток (взять 2-ю букву).
Фамилия русского ученого, построившего первый электрический двигатель (взять 1-ю букву).
ОТВЕТЫ:
Физика.
Анод.
Ампер.
Нейтрон.
Диэлектрик.
Якоби.
СЛОВО-ПАРОЛЬ: «знание».
Вопросы задания для 2-й команды:
Чертеж, на котором изображены способы соединения электрических приборов в цепь (взять 1 букву).
Вещества, проводимость которых занимает промежуточное положение между проводниками и диэлектриками (взять 11 букву).
Единица электрического заряда (взять 3 букву).
Прибор для измерения силы тока (взять 1 букву).
ОТВЕТЫ:
Схема.
Полупроводники.
Кулон.
Амперметр.
СЛОВО-ПАРОЛЬ: «сила».
2-й конкурс «Задачи»:
Слово учителя:
А сейчас приглашаю команды принять участие в конкурсе «Замок историков науки и техники». Приглашаются 1 ученик от команды по желанию, которым надо решить расчетные задачи исторического содержания.
Примечание: предлагаю перечень задач исторического содержания к конкурсу «Замок историков науки и техники».
Задача № 1. 1 июля 1892 г в Киеве стал курсировать трамвай по линии Подол-Крещатик. Его двигатель был рассчитан на силу тока 20 А при напряжении 500 В. Какой мощности был двигатель? (Ответ: 10 000 В = 10 кВт).
Задача № 2. В 1887 г. Пермский завод построил по чертежам русского инженера Н. Г. Славянова динамо машину. Она имела мощность 18 кВт и могла давать ток силой ЗОО А. Какое напряжение было на ее зажимах? (Ответ: 60 В.)
Задача № 3. Первым отечественным выпрямителем был высоковольтный ртутный выпрямитель конструкции В. П. Вологдина. Он создан в 1922 г., имел мощность 10000 Вт и давал ток при напряжении 3500В. Какой силы ток обеспечивал выпрямитель? (Ответ: 1.29 А.)
Задача № 4. Крупнейшей радиостанцией, действовавшей в России в период первой мировой войны, была Ходынская. Она имела генератор тока мощностью 320 кВт, а напряжение на его зажимах было равно 220 В. Найдите силу тока, вырабатываемого генератором. (Ответ: 1455 А.)
3-й конкурс «Знатоки физики»:
Одновременно проводится конкурс под названием «Знатоки физики».
Вначале зачитывается доклад, ранее подготовленный учеником, на тему «Действие электрического тока на тело человека» (см. «Занимательные вечера по физике в средней школе», стр. 103). После этого проводится викторина «Электрический ток и безопасность человека». Вопросы викторины написаны на ярких, разноцветных лепестках ромашки и предлагаются командам на выбор.
ВОПРОСЫ ВИКТОРИНЫ:
В автомобиле от аккумуляторов к лампочкам проведено только по одному проводу. Почему нет второго провода?
ОТВЕТ: Вторым проводом служит корпус автомобиля.
Какое минимальное напряжение вызывает поражение человека электрическим током с тяжелым исходом?
ОТВЕТ: Поражение током с тяжелым исходом возможно при напряжении, начиная приблизительно с 30 В.
Почему опасно во время грозы стоять в толпе?
ОТВЕТ: Во время грозы опасно стоять в толпе потому, что пары, выделяющиеся при дыхании людей, увеличивают электропроводность воздуха.
Почему в сырых помещениях возможно поражение человека электрическим током даже в том случае, если он прикоснется к стеклянному баллону электрической лампочки?
ОТВЕТ: Стеклянный баллон электрической лампочки, покрытый слоем влаги, проводит электрический ток, который при определенных условиях может вызвать поражение человека.
Отчего зависит биологическое действие тока и какой величины ток может вызвать смертельный исход?
ОТВЕТ: Биологическое действие тока зависит от величины тока, протекающего по организму пострадавшего. Ток в 0,025 А вызывает проходящий паралич, а ток в 0,1 А и более смертелен.
Почему молния, проходящая через дерево, может отклониться и пройти через человека, стоящего возле дерева?
ОТВЕТ: Электрический ток проходит преимущественно по участку цепи с меньшим сопротивлением. Если тело человека окажется лучшим проводником, то электрический ток пройдет через него, а не через дерево.
Елочные гирлянды часто делают из лампочек для карманного фонаря. Лампочки соединяют последовательно, и тогда на каждую из них приходится очень малое напряжение. Почему же опасно, выкрутив одну лампочку, сунуть палец в ее патрон?
ОТВЕТ: Сопротивление лампочки от карманного фонаря мало — несколько Ом, а сопротивление всей гирлянды — несколько сотен Ом, а пальца — несколько тысяч Ом. При последовательном же соединении цепи падение напряжения на участке пропорционально его сопротивлению. Поэтому на палец, если его сунуть в патрон, придется практически все напряжение сети.
3ачем при перевозке горючих жидкостей к корпусу автоцистерны прикрепляют цепь, которая при движении волочится по земле?
ОТВЕТ: При перевозке в автоцистернах горючие жидкости взбалтываются и электризуются. Чтобы избежать появления искр и пожара, используют цепь, которая отводит заряды в землю.
Кому принадлежат слова: «Теперь я знаю, как выглядит атом»?
ОТВЕТ: Эти слова принадлежат английскому физику Резерфорду, сказаны они в 1911г.
Что представляет собой молния?
ОТВЕТ: Электрический разряд в атмосфере в виде линейной молнии представляет собой электрический ток, причем сила тока за 0,2-0,3 с, в течение которых длятся импульсы тока в молнии, меняется. Примерно 65% всех молний, наблюдаемых в нашей стране, имеют наибольшие силы тока 10000 А, но в редких случаях она достигает 230 000 А.
Кто изобрел электрическую лампочку накаливания?
ОТВЕТ: Русский изобретатель — Александр Николаевич Лодыгин. Американский изобретатель Эдисон получил несколько лампочек Лодыгина: их привез в Америку один русский офицер. В конце 1879 г. Эдисон создал свою лампочку с винтовым цоколем и патроном, называемым эдисоновским. Все выданные Эдисону патенты были сформулированы лишь как предложения об усовершенствовании ранее запатентованной лампы Лодыгина.
Примечание: необходимо правильно отвечать на вопросы викторины, за каждый правильно отвеченный вопрос — 1 жетон.
4-й конкурс «Поиск»:
Учитель: а сейчас мы проведем конкурс под названием «ПОИСК», который был одним из домашних заданий. Команды заранее получили задание — найти в журналах, книгах интересные факты, касающиеся темы «Электричество», и подготовить небольшие сообщения. Слово предоставляется представителям от команд.
Учитель: настало время дать слово жюри и подвести итоги проведенных конкурсов.
5-й конкурс «Любители кроссвордов»:
Задание: вручаются листки кроссвордов и тексты к ним. Надо отгадать кроссворд за 3 мин. Варианты ответов сдаются жюри. Привожу пример кроссворда, который был использован на уроке.
По горизонтали:
Физическая величина, единица измерения которой названа в честь итальянского ученого Вольта.
Фамилия русского ученого, участвовавшего в первых опытных исследованиях атмосферного электричества в России.
По вертикали:
Вещества, хорошо пропускающие электрический ток.
Фамилия русского ученого, построившего первый электрический двигатель.
ОТВЕТЫ:
Напряжение.
Ломоносов.
Проводники.
Якоби.
Учитель: жюри подведет итоги проведенных конкурсов.
6-й конкурс «Чтобы это значило?»:
Учитель: а сейчас мы проведем конкурс под названием «Чтобы это значило?» На столе разное оборудование для демонстрации опытов. Представители от команд должны показать подготовленный ими опыт, а команда соперница должна объяснить увиденный опыт. Учитывается остроумие и оригинальность ответов.
7-й конкурс «Люди науки»:
Учитель: в конкурсе «Люди науки», который сейчас будет проводиться, участвуют одновременно все команды. Цель данного конкурса — раньше соперников определить имя и фамилию ученого, используя сведения о нем.
Приглашаются по одному участнику от команды, которым предлагается выполнить задание;
Задание участнику: назвать ученого, фамилия которого состоит из 5 букв:
первая — в названии электрода, присоединенного к положительному полюсу источника тока;
вторая — вторая в названии единицы сопротивления;
третья — третья в названии прибора для измерения силы тока,
четвертая — четвертая в названии единицы силы тока;
пятая — последняя в названии прибора для измерения напряжения.
ОТВЕТЫ:
Анод.
Ом.
Амперметр.
Ампер.
Вольтметр.
СЛОВО-ПАРОЛЬ: Ампер.
Одновременно для всех команд проводится 2-й этап конкурса. Вопросы:
О нем великий Максвелл сказал: «Исследования …, в которых он установил законы механического взаимодействия электрических токов, принадлежат к числу самых блестящих работ, которые проведены когда-либо в науке. Теория и опыт как будто в полной силе и законченности вылились сразу из головы этого «Ньютона электричества». На его надгробном памятнике высечены слова: «Он был так же добр и так же прост, как и велик». (Андре-Мари Ампер)
Он открыл один из важнейших количественный закон цепи электрического тока. Он установил постоянство силы тока в различных участках цепи, показал, что сила тока убывает с увеличением длины провода и с уменьшением площади его поперечного сечения. Он нашел ряд из многих веществ по возрастанию сопротивления. (Георг Ом).
По профессии пивовар, он был прекрасным экспериментатором, исследовал законы выделения теплоты электрическим током, внёс большой вклад в кинетическую теорию газов. (Джеймс Джоуль.)
Он был рыцарем Почётного легиона, получил звание сенатора и графа. Наполеон не упускал случая посетить заседания Французской академии наук, где он выступал. Он изобрёл электрическую батарею, пышно названную «короной сосудов». (Алессандро Вольта.)
Он стал академиком в 39 лет, причём в избрании не играли ни малейшей роли его работы по магнетизму и электричеству. Их, по существу, не было. Он был избран по секции геометрии за исследования в области математики и химии. (Андре-Мари Ампер.)
Он славился своей рассеянностью. Про него рассказывали, что однажды он с сосредоточенным видом варил в воде свои часы 3 минуты, держа яйцо в руке. (Андре-Мари Ампер.)
Он открыл один из важнейших законов электричества в 1785 году, используя для этого крутильные весы. Приём, использованный им, лишний раз доказывает, что изобретательность человеческого ума не знает границ. (Шарль Кулон.)
Учитель: а сейчас подведем итоги. Слово жюри.
8-й конкурс «Физическая эстафета»:
Учитель: настало время проверить знание формул и теоретического материала по пройденной теме «Электричество», а поможет нам в этом конкурс «Физическая эстафета». Этот конкурс проводится в два этапа. Цель конкурса — проверить знание учащимися формул.
1-й этап: приглашаются по одному участнику от команды, которым вручаются задания; одновременно проводится 2-й этап конкурса под названием «Порешаем», в котором капитаны команд получают задания. Время подготовки ответов — 5 минут. Ответы сдаются жюри.
Учитель: итак, друзья, начинаем!
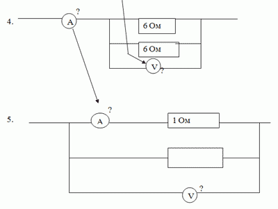
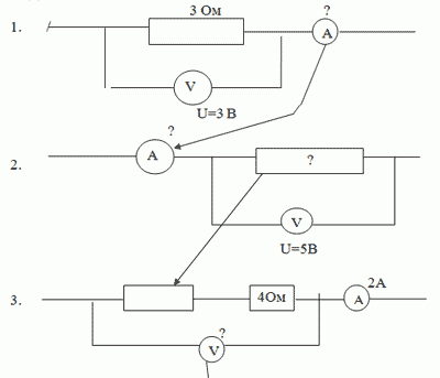
ЗАДАНИЕ ДЛЯ 1-го ЭТАПА:
ЗАДАНИЯ 2-го ЭТАПА:
Учитель: ну, вот и наступило время подведения итогов нашего урока–соревнования. Сегодня мы хорошо поработали: повторили основной программный материал по теме «Электричество», применили свои знания в новых ситуациях. Хочется надеяться, что сегодняшний урок разбудит у вас жажду новых познаний, ведь «великий океан истины» по-прежнему расстилается перед вами не исследованным до конца.
Пока жюри определяет победителя, проводится рефлексия урока с учащимися.
Слово жюри: подведение итогов, награждение победителей.
Часть 5. План урока-аукциона «Люди науки». Заключение
Учебные семинары в старших классах средней школы – одна из лучших форм коллективной работы, когда возникают общий интерес, дискуссия, каждый следит за столкновением мнений, старается (пусть даже про себя) определить собственную точку зрения. Данные возрастной психологии приводят к выводу, что семинарская форма организации учебных занятий соответствует потребностям и интересам старших школьников, развитию их познавательных интересов и творческих способностей.
Предлагаю план проведения урока-аукциона «Люди науки».
Оформление: плакат.
Пусть кипит работа,
Сложны соревнования,
Успех решает не судьба,
А ваши знанья!
В аукционе принимают участие 3 команды произвольной численности. Цель аукциона: раньше соперника определить имя и фамилию ученого, используя сведения о нем, которые последовательно (информацию за информацией) приводит ведущий (обычно это я сама): в каждом случае дается 5 подсказок.
Если правильный ответ получен после первой информации, на счет команды поступает 5 баллов, если после второй — 4 балла, после третьей — 3 балла, четвертой — 2 балла, пятой — 1 балл. В конце подводятся итоги и награждение. Подсчет баллов я веду на доске одновременно с проведением аукциона.
Задание № 1. «Бунтарь на коленях».
Воспитание этот ученый получил в монастыре, образование — частично на медицинском факультете Пизанского университета: затем работал преподавателем математики, был придворным философом.
История статики началась с Архимеда, история же механики неразрывно связаны с именем этого ученого.
Он умер в 1642 г., а почти через 100 лет — в 1737 г. прах ученого, согласно его завещанию, был перенесен во Флоренцию и захоронен рядом с прахом Микеланджело.
По образному выражению, этот ученый сумел отстоять свои научные взгляды и «победить на коленях».
Лишь спустя почти 3 с половиной столетия после его кончины папа римский Иоанн Павел Второй выступил с заявлением, в котором признал, что гонения церкви на ученого были напрасны: он был прав. (Ответ: Галилео Галилей).
Задание № 2. «Исключение из правил».
Этот ученый свой трудовой путь начал в качестве школьного учителя, а в дальнейшем выполнял роль эксперта в патентном бюро Берна.
Нобелевскую премию он получил в 1921 г. за физико-математические исследования и открытие законов фотоэффекта.
Его письмо президенту США в 1940 г. стимулировало организацию ядерных исследований в этой стране.
Он долгое время работал в Германии и он — единственный еврей, чей бюст находится среди нескольких сот бюстов великих немцев в Пантеоне национальной славы Германии Вальгалл близ Регенсбурга.
Этот ученый — один из основателей современной физики, создатель общей теории пространства-времени-тяготения. (Ответ: Альберт Эйнштейн).
Задание № 3. «Открытия вопреки убеждениям».
Карьеру свою он начал военным врачом в Потсдаме, а закончил президентом Физико-технического института в Берлине.
Этот физик, сделавший ряд открытий был, как ни странно, последователем философа Канта, отрицавшего возможность познания мира.
Ученый первым измерил скорость распространения возбуждения в нервах.
Он разработал физическую и физиологическую теории восприятия звуков и разделил звук на основной тон и обертоны, построил модель уха.
Им разработана теория аккомодации глаза и изобретено главное зеркало, которое используют врачи во всем мире. (Ответ: Герман Людвиг Фердинанд Гельмгольц).
Задание № 4. «Физик, почти не знавший математики».
Этот великий английский физик вынужден был подрабатывать смотрителем маяков и судебным экспертом по качеству промышленных товаров.
Известный физик Гемфри Дэви в конце жизни признал, что главным достижением его жизни стало открытие этого ученого.
Наш герой первым ввел в физику понятия: поле, катод, анод, электролит.
Он сделал величайшее изобретение: создал модель электродвигателя.
Этот физик-самоучка плохо знал математику, в результате, по выражению ученого Роберта Милликена, облечь его плебейски обнаженные научные представления в аристократические одежды математики пришлось Максвеллу. (Ответ: Майкл Фарадей).
Задание 5. «Самый ученый рыцарь».
Именно этот английский ученый, получивший за свою научную деятельность рыцарский титул, направил сподвижнику Петра I, крупному военачальнику Александру Даниловичу Меншикову извещение о том, что тот избран членом Королевской Академии наук Великобритании: парадокс состоял в том, что Меншиков был неграмотным.
В 1695 г. получил должность смотрителя Монетного двора Великобритании, а через 4 года -директора, ему была поручена чеканка всех монет страны.
Увлечение естественными науками он сочетал с увлечением религий. К концу жизни он написал сочинение о пророке Данииле и толкование Апокалипсиса. Тем не менее Богу, по словам Ф. Энгельса, он оставил только первый толчок, но запретил всякое дальнейшее вмешательство в Солнечную систему.
Этот ученый-физик одновременно является автором двух важных математических методов: дифференциального и интегрального исчислений.
Филосов Г. Гегель шутил: три яблока сгубили мир: яблоко Адама, яблоко Париса и его яблоко. (Ответ: Исаак Ньютон).
Задание № 6. «Баловень богов».
Этот будущий физик родился на свет очень слабым ребенком, врачи единодушно утверждали, что он не жилец на белом свете. Умер он в 37 лет от заражения крови.
Ко всем делам, за которые брался этот человек, он проявлял огромные способности. Его наставник по токарному делу, узнав, что ученик стал ученым, заметил: «Жаль. Из него мог бы получиться отличный токарь». А известный физик Г. Л. Ф. Гельмгольц, бывший его научным руководителем, назвал нашего героя «баловнем богов».
Именно он экспериментально обнаружил электромагнитные волны, предсказанные великим Максвеллом, и наблюдал их отражение, преломление, интерференцию, поляризацию.
Тем не менее известно его письмо в Дрезденскую коммерческую палату о том, что исследования радиоволн надо запретить как бесполезные.
Имя и фамилия этого ученого составляли содержание первой в мире радиограммы, переданной А.С.Поповым. (Ответ: Генрих Рудольф Герц).
Задание № 7. «Ученый-чудак».
Этот физик был скорее уродлив, чем некрасив, одевался плохо и был явно неряшлив, всегда ходил с огромным зонтом, был неуклюж и неловок.
Он славился своей рассеянностью. Про него рассказывали, что однажды с сосредоточенным видом он варил в воде три минуты свои часы, держа яйцо в руке.
Он был малоизвестен при жизни. Имя же его сына-поэта знал чуть ли не каждый.
Кроме физики он занимался математикой, ботаникой, химией и даже был членом комиссии по изданию классиков литературы.
Этот ученый сделал ряд важных открытий, известных теперь почти каждому он по праву считается одним из создателей электродинамики. (Ответ: Андре Мари Ампер).
Задание № 8. «Создатель первого источника тока».
Этот физик, будучи ребенком, первое слово свое сказал в 4 года, и это было слово «нет».
Он открыл и исследовал газ метан.
Этот человек был не только физиком, но и химиком, физиологом, изобретателем. С 1815 по 1819 г.г. он занимал пост директора философского факультета Падуанского университета. По иронии судьбы все приборы и личные вещи ученого — виднейшего специалиста в области электричества — сгорели на выставке, посвященной его памяти, в результате пожара, вызванного неисправностью электропроводки.
Он открыл взаимную электризацию разнородных металлов при их контакте и расположил их в ряд по величине возникающей между ними разности потенциалов. (Ответ: Александро Вольта).
Задание № 9. «Самый математичный физик».
Этот ученый в детстве учился плохо, особенно по арифметике, но когда началось изучение геометрии, быстро стал лучшим учеником своей школы.
«Самый математичный физик» — так его называли современники. Он между делом осуществил первую в мире цветную фотографию и разработал способ радикального выведения жировых пятен с одежды, но всемирную известность ему принесло совсем не это.
Свои работы он подписывал псевдонимом: dр/dt.
Его труды относятся почти ко всем разделам физики, но главные к молекулярной физике и электродинамике.
По словам Генриха Герца, «Формулы этого физика живут собственной жизнью, обладают собственным разумом — кажется, что эти формулы... умнее даже самого автора». Система его взглядов выражена его уравнениями, это основа теории электромагнитного поля. (Ответ: Джеймс Клерк Максвелл).
Задание № 10. «Ученый, писатель и политик».
Этот ученый в 27 лет стал одним из самых популярных писателей Америки. Выпускаемый им «Альманах бедного Ричарда» выходил в свет около 30 лет, он издавал также «Пенсильванскую газету» и организовал первую в США публичную библиотеку.
Этот человек участвовал в составлении «Декларации независимости» США.
Он был 15-м ребенком в семье мелкого ремесленника, прожил 84 года, из которых физикой занимался только 7 лет. За это семилетие успел многое сделать в науке: ввел понятия «положительное» и «отрицательное» электричество, «конденсатор», «проводник», «заряд», «разряд», «обмотка».
Главным его изобретением стал молниеотвод (громотвод), а главным открытием — установление электрической молнии.
На его бюсте вырезаны слова: «Он отнял молнию у небес и власть у тиранов». (Ответ: Бенджалий Франклин).
Подведение итогов. Награждение победителей.
Заключительное слово учителя.
Подводя итог нашего урока, я хочу рассказать Вам, ребята, еще одну историю, которая поведает нам еще про одну судьбу ученого-физика.
Биографы Ньютона рассказывают, что первое время в школе он учился очень посредственно, И вот однажды его обидел лучший ученик в классе. Ньютон решил, что самая страшная месть для обидчика — отнять у него место первого ученика. Дремавшие в Ньютоне способности проснулись, и он с легкостью затмил своего соперника.
Разбуженного джинна познания нельзя снова спрятать в темную заплесневелую бутылку. С того счастливого для мировой науки эпизода начался процесс превращения скромного английского школьника в великого ученого. Хочется надеяться, что сегодняшний урок разбудит и у Вас жажду новых познаний, ведь «великий океан истины» по-прежнему расстилается перед вами не исследованным до конца.
Описанный выше урок, посвященный ученым-физикам, проводится в виде игры, которая позволяет проявиться всем способностям учащихся, расширяет их кругозор, учит видеть прекрасное в обычном, развивает коммуникативные способности учащихся.
ЗАКЛЮЧЕНИЕ
Процесс развития творческих способностей школьников сложен и многогранен. Необходимо развивать творческие способности учащихся, организуя педагогический процесс так, чтобы поставить ученика в положение первооткрывателя того, что известно учителю, но является новым для учащихся. Учитель постоянно должен искать пути и средства, а так же формы организации творческой деятельности учащихся в процессе обучения.
Наиболее высокий уровень развития творческих способностей достигается в том случае, когда в процессе обучения систематически организуются проблемные ситуации. В результате решения проблем учащиеся делают для себя открытие, находят объяснение нового для них явления, задумываются над выяснением его природы, открывают новые методы измерения физических величин, устанавливают новые связи между явлениями, находят новые варианты решения задачи, изменения в конструкцию приборов, создают новые приборы и установки, позволяющие осуществлять управление технологическими процессами. Очевидно, что творческие способности развиваются в деятельности, их упражняющей. Поэтому необходимо создать целостную совокупность ученых ситуаций на каждом этапе познания. Учитывая это, я и отдаю предпочтение проведению нестандартных уроков физики.


Удивительное электричество (53.29 KB)

