Диод, стабилитрон, варикап, тиристор, светодиод,
фотодиод, оптрон - их типы и применение
Полупроводниковые приборы применялись в радиотехнике еще до изобретения электронных ламп. Изобретатель радио А. С. Попов использовал для обнаружения электромагнитных волн вначале когерер (стеклянную трубку с металличеокими опилками), а затем контакт стальной иглы с угольным электродом.
Это был первый полупроводниковый диод — детектор. Позже были созданы детекторы с использованием естественных и искусственных кристаллических полупроводников (галена, цинкита, халькопирита и т. д.).
Такой детектор состоял из кристалла полупроводника, впаянного в чашечку-держатель, и стальной или вольфрамовой пружинки с заостренным концом (рис. 1). Положение острия на кристалле находили опытным путем, добиваясь наибольшей громкости передачи-радиостанции.
Рис. 1. Полупроводниковый диод — детектор.
В 1922 г. сотрудник Нижегородской радиолаборатории О. В. Лосев обнаружил замечательное явление: кристаллический детектор, оказывается, может генерировать и усиливать электрические колебания. Детектирование — преобразование электрических колебаний, в результате которого получаются колебания более низкой частоты или постоянный ток.
Это было настоящей сенсацией, но недостаточность научных познаний, отсутствие нужного экспериментального оборудования не позволили в то время глубоко исследовать суть процессов, происходящих в полупроводнике, и создать полупроводниковые приборы, способные конкурировать с электронной лампой.
Полупроводниковый диод
Полупроводниковые диоды обозначают символом, сохранившимся в общих чертах со времен первых радиоприемников (рис. 2).
Рис. 2. Обозначение и структура полупроводникового диода.
Вершина треугольника в этом символе указывает направление наибольшей проводимости (треугольник символизирует анод диода, а короткая черточка, перпендикулярная линиям-выводам,— его катод).
Этим же символом обозначают полупроводниковые выпрямители, состоящие, например, из нескольких последовательно, параллельно или смешанно соединенных диодов (выпрямительные столбы и т. п.).
Диодные мосты
Для питания радиоаппаратуры часто используют мостовые выпрямители. Начертание тажой схемы соединения диодов (квадрат, стороны которого образованы символами диодов) давно уже стало общепринятым, поэтому для обозначения таких выпрямителей стали иополикшать упрощенный символ — квадрат с символом одного диода внутри (рис. 3).
Рис. 3. Обозначение диодного моста.
В зависимости от значения выпрямленного напряжения каждое плечо моста может состоять из одного, двух и более диодов. Полярность выпрямленного напряжения на схемах не указывают так как ее однозначно определяет символ диода внутри квадрата.
Мосты конструктивно объединенные в одном корпусе, изображают отдельно показывая принадлежность к одному изделию в позиционном обозначены. Рядом с позиционным обозначением диодов, как и всех других полупроводниковых приборов, как правило, указывают их тип.
На основе символа диода построены условные обозначения полупроводниковых диодов с особыми свойствами. Для получения нужного символа используют специальные знаки, изображаемые либо на самом базовом символе, либо в непосредственной близости от него, а чтобы акцентировать внимание на некоторых из них, базовый символ помещают в круг — условное обозначение корпуса полупроводникового прибора.
Туннельные диоды
Знаком, напоминающим прямую скобку, обозначают катод туннельных диодов, (рис. 4). Их изготовляют из полупроводниковых материалов с очень большим содержанием примеси, в результате чего полупроводник превращается в полуметалл. Благодаря необычной форме вольт-амперной характеристики (на ней имеется участок отрицательного сопротивления) туннельные диоды используют для усиления и генерирования электрических сигналов и в переключающих устройствах. Важным достоинством этих диодов является то, что они могут работать на очень высоких частотах.
Рис. 4. Тунельный диод, его обозначение и вольт-амперная характеристика.
Разновидность туннельных диодов — обращенные диоды, у которых при малом напряжении на р-п переходе проводимость в обратном направлении больше, чем в прямом.
Используют такие диоды в обратном включении. В условном обозначении обращенного диода черточку-катод изображают с двумя штрихами, касающимися ее своей'серединой (рис. 4,6).
Стабилитроны
Прочное место в источниках питания, особенно низковольтных, завоевали полупроводниковые стабилитроны, работающие также на обратной ветви вольт-амперной характеристики.
Это плоскостные кремниевые диоды, изготовленные по особой технологии. При включении их в обратном направлении и определенном напряжении -на переходе последний «пробивается», и в дальнейшем, несмотря на увеличение тока через- переход напряжение на нем остался почти неизменным.
Рис. 5. Стабилитрон и его обозначение на схемах, вольт-амперная характеристика.
Благодаря этому свойству стабилитроны широко применяют в качестве самостоятельных стабилизирующих элементов, а также источников образцовых напряжений в стабилизаторах на транзисторах.
Для получения малых образцовых напряжений стабилитроны включают в прямом направлении, при этом напряжение стабилизации одного стабилитрона равно 0,7... 0,8 В. Такие же результаты получаются при включении в прямом направлении обычных кремниевых диодов.
Для стабилизации низких напряжений разработаны и широко применяются специальные полупроводниковые диоды — стабисторы. Отличие их от стабилитронов в том, что они работают на прямой ветви вольт-амперной характеристики, т. е. при включении в прямом (проводящем) направлении.
Рис. 5а - Стабистор и его вольт-амперная характеристика
Варикапы
Электронно-дырочный переход, к которому приложено обратное напряжение, обладает свойствами конденсатора. При этом роль диэлектрика играет сам р-п переход, в котором свободных носителей зарядов мало, а роль обкладок — прилежащие слои полупроводника с электрическими зарядами разного -знака — электронами и дырками. Изменяя напряжение, приложенное к р-п переходу, можно изменять его толщину, а следовательно, и емкость между слоями полупроводника.
Рис. 6. Варикапы и их обозначение на принципиальных схемах.
Это явление использовано в специальных полупроводниковых приборах — варикапах [от английских слов vari(able) — переменный и cap(acitor) — конденсатор]. Варикапы широко применяют для настройки колебательных контуров, в устройствах автоматической подстройки частоты, а также в качестве частотных модуляторов в различных генераторах.
Условное графическое обозначение варикапа (см. рис. 6,а), наглядно отражает их суть: дне параллельные черточки воспринимаются как символ конденсаторе. Как и конденсаторы переменной емкости, варикапы часто изготовляют и виде блоков (их называют матрицами) с общим катодом и раздельными анодами. Для примера на рис. 6 показано обозначение матрицы из двух варикапов, а на рис. 6,в — из трех.
Варикапы используются в генераторах, управляемых напряжением, РЧ-фильтрах, частотных и фазовых модуляторах. На рис 6а показана простая схема регулирования частоты колебательного контура за счет изменения обратного смещения варикапа. В этой схеме на емкость варикапа влияет не только постоянное управляющее напряжения ЦАП (цифро-аналоговый преобразователь), но и текущее напряжение колебательного контура, что приводит к его нелинейности.
Рисунок 6а - схема регулирования частоты колебательного контура за счет изменения обратного смещения варикапа
Тиристоры
На основе базового символа диода построены и условные обозначения тиристоров (от греческого thyra — дверь и английского (resi)stor — резистор). Это диоды, представляющие собой чередующиеся слои кремния с электропроводностью типов р и п. Таких слоев в тиристоре четыре, т. е. он имеет три р-п перехода (структура р-п-р-п).
Тиристоры нашли широкое применение в различных регуляторах переменного напряжения, в релаксационных генераторах, коммутирующих устройствах и т. д.
Рис. 7. Тиристор и его обозначение на принципиальных схемах.
Тиристоры с выводами только от крайних слоев структуры называют динисторами и обозначают символом диода, перечеркнутым отрезком линии, паралельной черточке-катоду . Такой же прием использован и при построении обозначения симметричного динистора, проводящего ток (после включения) в обоих направлениях.
Тиристоры с дополнительным (третьим) выводом (от одного из внутрених слоев структуры) называют тринисторами. Управление по катоду в обозначении этих приборов показывают ломаной линией, присоединенной к символу катода , по аноду — линией, продолжающей одну из сторон треугольника, символизирующего анод .
Условное обозначение симметричного (двунаправленного) трииистора получают из символа симметричного динистора добавлением третьего вывода.
Фотодиоды
Основной частью фотодиода является переход, работающий при обратном смещении. В его корпусе имеется окошко, через которое освещается кристалл полупроводника. В отсутствие света ток через р-п переход очень мал — не превышает обратного тока обычного диода.
Рис. 8. Фотодиоды и их изображение на схемах.
При освещении кристалла обратное сопротивление перехода резко падает, ток через него растет. Чтобы показать такой полупроводниковый диод на схеме, базовый символ диода помещают в кружок, а рядом с ним (слева сверху, независимо от положения символа) изображают знак фотоэлектрического эффекта — две наклонные параллельные стрелки, направленные в сторону символа.
Подобным образом нетрудно построить и условное обозначение любого другого полупроводникового прибора, изменяющего свои свойства под действием оптического излучения. В качестве примера на показано обозначение фотодинистора.
Светодиоды и светодиодные индикаторы
Полупроводниковые диоды, излучающие свет при прохождении тока через р-n переход, называют светодиодами. Включают такие диоды в прямом направлении. Условное графическое обозначение светодиода похоже на символ фотодиода и отличается от него тем, что стрелки, обозначающие оптическое излучение, помещены справа от кружка и направлены в противоположную сторону (рис. 9).
Рис. 9. Светодиоды и их изображение на схемах.
Для отображения цифр, букв и других знаков в низковольтной аппаратуре часто применяют светодиодные знаковые индикаторы, представляющие собой наборы светоизлучающих кристаллов, расположенных определенным образом и залитых прозрачной пластмассой.
Условных обозначений для подобных изделий стандарты ЕСКД не предусматривают, но на практике часто используют символы, подобные показанному на рис. 10 (символ семисегментного индикатора для отображения цифр и запятой).
Оптроны
Оптрон (оптопара) — это полупроводниковый прибор, в котором конструктивно объединены источник и приёмники излучения, имеющие между собой оптическую связь. Элементарный оптрон, содержащий один источник и один приемник излучения, называют также оптопарой. Будучи объединенными в микросхему вместе с одним или несколькими согласующими или усиливающими устройствами, оптопары образуют оптоэлектронную интегральную микросхему.
Принцип действия оптронов: в излучателе энергия электрического сигнала преобразуется в световую, в фотоприёмнике, наоборот, световой сигнал вызывает электрический отклик, т.е. в оптронах происходит двойное преобразование энергии.
Входной электрический сигнал (характеризующийся силой тока I1 или напряжением U1) преобразуется источником излучения 1 в световой (поток света Ф1), который передается затем по оптическому каналу 2 к фотоприемнику 3. Фотоприемник осуществляет обратное превращение светового сигнала в электрический I2, U2. Среда оптического канала может быть управляемой (например обладать электрооптическими свойствами), что отражено и рис. 10 введением в схему устройства управления 4, которое преобразует световой поток Ф1 в поток Ф2. Для согласования параметров оптронов с другими элементами электронных схем могут использоваться дополнительные входные и выходные устройства.
Рис. 10 - Структурна схема оптрона
Светоизлучающие кристаллы широко используют в оптронах — специальных приборах, применяемых для связи отдельных частей электронных устройств,вычислительная техника, автоматика, связная и радиотехническая аппаратура, автоматизированные системы управления, измерительная техника, системы контроля и регулирования, медицинская электроника, устройства визуального отображения информации.
Оптическую связь излучателя света (светодиода) с фотоприемником показывают двумя параллельными стрелками, перпендикулярными линиям-выводам оптрона. Фотоприемником в оптроне могут быть не только фотодиод (рис. 11), но и фоторезистор (рис. 11), фотодинистор (рис. 11) и т. д.
Рис. 11- Обозначение оптопар (оптронов).
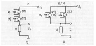
Использование оптронов (прежде всего—диодных и транзисторных) в цифровых и импульсных устройствах связано с возможностью их быстрого переключения из состояния с низким уровнем сигнала на выходе в состояние с высоким уровнем, или наоборот.


Использование оптронов (прежде всего—диодных и транзисторных) в цифровых и импульсных устройствах связано с возможностью их быстрого переключения из состояния с низким уровнем сигнала на выходе в состояние с высоким уровнем, или наоборот. (1.41 MB)

