Міністерство освіти і науки України
Державний вищий навчальний заклад
«Київський енергетичний коледж»
Методичні рекомендації
щодо проведення практичних занять
з дисципліни
“ Автоматичні системи управління теплоенергетичними процесами ”
Розробила
Власюк О.П.
Київ, 2018
Практичне заняття – це вид навчального заняття, на я кому викладач організовує детальний розгляд студентами окремих теоретичних положень навчальної дисципліни та формує вміння і навички їх практичного застосування шляхом індивідуального виконання студентами відповідно до сформульованих завдань.
Основна дидактична мета практичного заняття – розширення, поглиблення й деталізація наукових знань, отриманих студентами на лекціях та в процесі самостійної роботи і спрямованих на підвищення рівня засвоєння навчального матеріалу, прищеплення умінь і навичок, розвиток наукового мислення та усного мовлення студентів.
Завдання практичного заняття:
підготовка до самостійного виконання практичних завдань;
підготовка студентів до контрольних робіт;
набуття вмінь застосування теоретичних знань на практиці;
підготовка студентів до майбутньої практичної діяльності тощо.
Основною вимогою до проведення практичних занять є забезпечення розуміння студентами теоретичних основ і творчого виконання практичної роботи. Ефективність практичного заняття залежить від самостійності виконання роботи кожним студентом.
Тематика і плани проведення практичних занять із переліком рекомендованої літератури заздалегідь доводяться до відома студентів.
Перелік тем і зміст практичних занять визначаються робочою навчальною програмою дисципліни.
Практичні заняття є найважливішим засобом розвитку у майбутніх спеціалістів досвіду самостійної діяльності.
Організація практичного заняття охоплює три основні етапи:
Підготовка до заняття;
Проведення заняття;
Робота зі студентами після занять.
Підготовка до занять передбачає визначення їх тематики, розробку планів занять, визначення мінімуму обов’язкової для вивчення літератури, методичних рекомендацій.
Оскільки завданнями практичного заняття є перевірка теоретичних знань, то готуючись до нього студенти повинні вивчити рекомендовану літературу: відповідні розділи підручників, навчальних посібників, конспект лекції. Знання теоретичних положень, які лежать в основі практичних занять, дозволяють студентам виконувати роботу не механічно, а по суті створювати її, вносити в неї елементи творчості. Тому викладачеві необхідно перед початком практичного заняття перевірити рівень готовності студентів до нього.
Проведення практичного заняття базується на попередньо підготовленому методичному матеріалі. Цей матеріал готує викладач, якому доручено проведення ПЗ, за узгодженням з лектором даної навчальної дисципліни.
Основна мета цих занять полягає в поглибленні, закріпленні і перевірці знань студентів з найбільш важливих і складних тем, вивченні практичного досвіду.
Заняття в аудиторії починається коротким (5-7 хв.) вступним словом викладача, у якому підкреслюється значення теми для практики, її особливість у системі курсу.
На практичному занятті студенти під керівництвом викладача виконують практичні завдання за своїм варіантом.
У кінці заняття викладач виставляє студентами оцінки за ступінь активності при обговоренні питань, за глибину засвоєння матеріалу, а також за належне виконання індивідуальних завдань і вміння використовувати отриманий матеріал. Оцінки, одержані студентом на практичних заняттях, враховуються при виставленні підсумкової оцінки з даної дисципліни.
Якщо студент пропустив заняття або під час занять не показав відповідних знань, йому призначається індивідуальна співбесіда як одна з форм контролю за засвоєнням навчального курсу.
ПРАКТИЧНЕ ЗАНЯТТЯ
на тему : “ Регулювання температури первинного
перегріву пари у прямотоковому котлі ”
МЕТА ЗАНЯТТЯ
Закріпити знання, отриманні при вивченні теоретичного матеріалу з теми “Регулювання температури первинного перегріву пари у прямотоковому котлі” .
Навчитись складати структурну схему регулювання температури первинного перегріву пари у прямотоковому котлі.
Вміти обирати необхідні прилади та елементи системи автоматизації для даної схеми регулювання.
СТИСЛІ ТЕОРЕТИЧНІ ВІДОМОСТІ
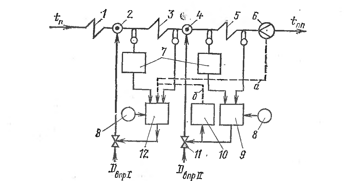
Схема регулювання температури первинної пари tпп показана на рисунку 1, де тракт перегріву розбитий на дві ділянки, кожен з яких має власну систему регулювання. Поділ на ділянки перегріву пари покращує якість регулювання, тому кожну з ділянок проектують і виготовляють як самостійний виріб. Температура перегріву пари регулюється за двоімпульсною схемою. Першим сигналом для регулятора кожної перегрівальної ділянки є температура пари на її виході, а другим – сигнал по швидкості зміни температури пари за впорскуванням. Другий сигнал вводиться в регулятор через диференціатор 7 , що дозволяє враховувати коливання температури пари одразу після збурення, не чекаючи зміни температури tпп. Завдання регулятору встановлюється задатчиком ручного управління 8. Іноді для обліку коливань навантаження вводять додаткові сигнали по завданню, наприклад до витраті перегрітої пари (лінія а) або за положенням регулюючого органу, наступного по ходу впорскування (лінія б).
Таким чином корегуючим регулятором формується сигнал по завданню на регулятор 12, з виходу якого надходить керуючий сигнал на відкриття регулювального клапана 11 першого впорскування.

Рисунок - Схема регулювання температури первинної пари
1,3, 5 – ступені пароперегрівника; 2, 4, - впорскуючи пароохолодники,
6 – звужувальний пристрій; 7 – диференціатор; 8 – задатчик ручного управління;
9 – регулятор температури перегріву первинної пари на виході котла;
10 – допоміжний корегуючий регулятор; 11 – регулювальний клапан;
12 – попередньо включений регулятор температури пари
Для підвищення ккд котла і всієї паротурбінної установки на сучасних блоках використовують вторинний перегрів пари. Частина пари, що вже відпрацювала в циліндрах високого тиску, відбирається на перегрів, тобто вертається в котел і доводиться до потрібної температури. Вторинний перегрів можна виконувати за допомогою теплообмінників, де гріючим середовищем служить первинна пара чи топкові гази. Для регулювання температури вторинної пари впорскування не використовують, так як це не економічно.
IІІ. ПОСЛІДОВНІСТЬ ВИКОНАННЯ ПРАКТИЧНОГО ЗАНЯТТЯ
3.1 Перед початком проведення практичного заняття необхідно по літературі та конспекту (див. п. 6) ознайомитись з матеріалами по темі “Регулювання температури первинного перегріву пари у прямотоковому котлі ”.
3.2 Накреслити схему регулювання температури первинного перегріву пари у котлі (рис.) та вказати основні елементи схеми.
3.3 Розібратися і стисло записати роботу автоматичної системи регулювання температури перегріву первинної пари .
3.4 Скласти структурну схему регулювання та вказати її основні елементи.
3.5 Обрати та записати необхідні прилади та елементи системи автоматизації .
3.6 Зробити висновок за результатами практичного заняття.
ІV. Зміст звіту
4.1 Тема практичного заняття, дата проведення.
4.2 Мета практичного заняття.
4.3. Схема регулювання з основними елементами.
4.4 Робота схеми регулювання (стисло).
4.5 Структурна схема регулювання з обраними приладами та елементами системи автоматизації.
4.6 Висновок.
V. Контрольні питання
5.1 За яким законом регулювання працює обраний Вами регулятор?
5.2 Що слугує об’єктом регулювання в даній схемі?
5.3 Яке призначення корегуючого регулятора?
5.4 Чому регулятор в даній схемі носить назву «двоімпульсний»?
5.5 До чого призведе різке підвищення температури перегріву пари?
5.6 Дайте визначення ПІ – закону регулювання.
VI. РЕКОМЕНДОВАНА ЛІТЕРАТУРА
6.1 Плетнев Г.П. Автоматическое управление и защита теплоэнергетических установок электростанций: Учебник для техникумов. – 3-е изд., перераб. - М.: Энергоатомиздат, 1986, с. 223-235.
6.2 Мухин В.С., Саков И.А. Приборы контроля и средства автоматики тепловых процессов. - М.: Высшая школа, 1988, с. 223 - 227.
6.3 Конспект лекцій з дисципліни “Автоматичні системи управління теплоенергетичними процесами“ (тема “Регулювання температури первинного перегріву пари у прямо токовому котлі”).



