Способы движения МТА
Список вопросов теста
Вопрос 1
Какие элементы включает движение агрегата на поле?
Варианты ответов
- рабочие ходы при выполнении сельскохозяйственных процессов
- холостые заезды и повороты на концах гонов
- переезды агрегата к месту работы
Вопрос 2
В каких случаях используют повороты с применением заднего хода трактора?
Варианты ответов
- когда необходимо по условиям работы сократить поворотную полосу
- при работе навесных агрегатов
- при небольшой ширине загона
- во всех перечисленных случаях
Вопрос 3
По какой формуле определяется ширина поворотной полосы для беспетлевых поворотов?
Варианты ответов
-
\(E=3R\ +\ e\)
-
\(E=1,5R\ +\ e\)
-
\(e=0,5\ l_a\)
Вопрос 4
Круговым называется способ движения при котором:
Варианты ответов
- рабочие ходы совершаются вдоль одной стороны участка
- рабочие ходы совершаются под углом к стороне участка
- рабочие ходы совершаются параллельно всем сторонам участка
Вопрос 5
Перечислите кинематические характеристики агрегата
Варианты ответов
- кинематический центр агрегата
- кинематическая длина агрегата
- кинематическая ширина агрегата
- центр поворота
- радиус поворота
- все варианты верны
Вопрос 6
Одним из основных оценочных показателей способа движения агрегата на загоне является
Варианты ответов
- ширина поворотной полосы
- ширина загона
- коэффициент рабочих ходов
- длина холостого хода
Вопрос 7
Что понимают под способом движения агрегата?
Варианты ответов
- движение агрегата с включенными рабочими органами при выполнении техно-логической операции
- движение агрегата с выключенными рабочими органами, технологическая опе-рация не осуществляется
- порядок циклично повторяющихся рабочих и холостых ходов агрегата
Вопрос 8
Какие факторы оказывают влияние на величину радиуса поворота агрегата?
Варианты ответов
- ширина захвата агрегата
- скорость движения
- состояние почвы
- все перечисленные факторы
Вопрос 9
Какие недостатки имеют петлевые повороты?
Варианты ответов
- увеличивают ширину загона
- увеличивают ширину поворотной полосы
- увеличивают холостой ход агрегата
- уменьшают рабочую длину участка
Вопрос 10
Гоновым называют способ движения при котором:
Варианты ответов
- рабочие ходы совершаются вдоль одной стороны участка
- рабочие ходы совершаются под углом к стороне участка
- рабочие ходы совершаются параллельно всем сторонам участка
Вопрос 11
Что расчитывают по данной формуле - \(\varphi\ =\frac{L_p}{L_p\ +\ L_x}\)
Варианты ответов
- ширину поворотной полосы
- длину выезда агрегата
- коэффициент рабочих ходов
Вопрос 12
Чем обосновывается ширина поворотной полосы?
Варианты ответов
- удобством обслуживания агрегата
- возможностью беспрепятственного поворота агрегата
- необходимостью последующей обработки поворотной полосы этим же агрегатом
- всеми перечисленными факторами
Вопрос 13
Диагональным называют способ движения при котором
Варианты ответов
- рабочие ходы совершаются вдоль одной стороны участка
- рабочие ходы совершаются под углом к стороне участка
- рабочие ходы совершаются параллельно всем сторонам участка
Вопрос 14
На каких операциях применяют способ движения «от периферии (края) к центру»?
Варианты ответов
- уборке зерновых
- вспашке
- кошении трав
- культивации
Вопрос 15
Как классифицируются повороты агрегата по способу выполнения?
Варианты ответов
- правые
- петлевые
- левые
- беспетлевые
Вопрос 16
Какие факторы оказывают влияние на применение того или иного вида поворота
Варианты ответов
- скорость движения агрегата
- состав и тип агрегата
- выполняемая операция
- все перечисленные факторы
Вопрос 17
По какой формуле определяется ширина поворотной полосы для петлевого поворота?
Варианты ответов
-
\(E\ =\ 1,5R\ +\ e\)
-
\(e\ =\ 0,1\ l_a\)
-
\(l_a\ =\ l_т\ +\ l_м\)
-
\(E\ =\ 3R\ +\ e\)
Вопрос 18
На каких технологических операциях применяется челночный способ движения?
Варианты ответов
- посев
- вспашка обычным плугом
- культивация
- междурядная обработка
- вспашка оборотным плугом
- все варианты верны
Вопрос 19
Укажите способы движения относящиеся к гоновым.
Варианты ответов
- от периферии к центру
- челночный
- диагональный односледный
- всвал
- перекрытием
- от центра к пермферии
- комбинированный беспетлевой
Вопрос 20
Чем больше коэффициент рабочих ходов, тем ……… доля холостого пути агрегата и ………..его производительность
Вопрос 21
Какой показатель применяют для оценки выбора наиболее рационального способа движения агрегата?
Варианты ответов
- коэффициент использования тягового усилия трактора
- коэффициент использования ширины захвата агрегата
- коэффициент рабочих ходов
- все перечисленные
Вопрос 22
Из двух способов движения наилучшим считается тот, у которого ……….. наибольший.
Вопрос 23
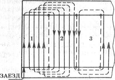
Какой способ движения изображен на рисунке?

Варианты ответов
- всвал
- челночный
- перекрытием
Вопрос 24
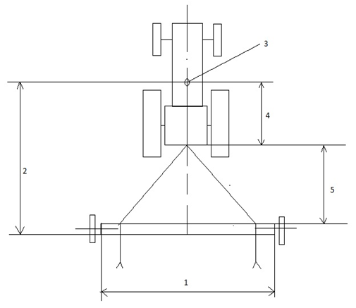
Какая кинематическая характеристика агрегата отмечена на рисунке цифрой 2?
Варианты ответов
- продольная база
- кинематический центр агрегата
- кинематическая длина агрегата
- ширина захвата
- кинематическая длина трактора
- кинематическая длина сельскохозяйственной машины
Вопрос 25
Установите соответсвие схем способов движения - названиям:
1.

2.

3.

4.

Варианты ответов
- круговой
- перекрытием
- всвал
- вразвал


