СОР за раздел ЭЛЕКТРОДИНАМИКА
Список вопросов теста
Вопрос 1
Два сопротивления соединены последовательно. Чему равно их общее сопротивление, если R1=10 Ом, а R 2= 20 Ом?
Варианты ответов
- 10 Ом
- 20 Ом
- 30 Ом
- 50 Ом
Вопрос 2
Какой ток протекает через спираль рабочей электрической плиты, если ее подключить к источнику питания напряжением 220 В, а сопротивление спирали равно 10 Ом?
Варианты ответов
- 22 А
- 11 А
- 100 А
- 1100
Вопрос 3
Как называется устройство, предназначенное для измерения электрического тока?
Варианты ответов
- Вольтметр
- Амперметр
- Омметр
- Спидометр
Вопрос 4
"Частицы, имеющие отрицательный заряд, являются..."
Варианты ответов
- Протон
- Электрон
- Нейтрон
Вопрос 5
График на рисунке демонстрирует зависимость силы тока в проводнике от напряжения на его концах. Исходя из этого графика, можно определить сопротивление проводника
Варианты ответов
- 2,5 Ом
- 25 Ом
- 250 Ом
- 2500 Ом
Вопрос 6
Среди проводников, для которых на графике представлены зависимости силы тока от напряжения, какой проводник обладает наименьшимсопротивлением?
Варианты ответов
- 1
- 2
- 3
Вопрос 7
Имеют ли напряжение и сила тока влияние на сопротивление проводника?
Варианты ответов
- напряжение нет, сила тока да
- напряжение да, сила тока нет
- напряжение да, сила тока да
- напряжение нет, сила тока нет
Вопрос 8
Есть источник постоянного тока с электродвижущей силой (ЭДС) E = 24 В и внутренним сопротивлением г = 1 Ом. Этот источник подключен к внешнему сопротивлению R = 7 Ом. Как определить силу тока в цепи I, падение напряжения UR на внешнем участке и падение напряжения Ur на внутреннем участке цепи?
Варианты ответов
- 3 А
- 8 A
- 21 B
- 18 B
- 3 В
- 1.2 B
- 7 А
- 24 В
Вопрос 9
"Если при перемещении заряда 6 Кл внутри источника тока сторонние силы совершают работу в 36 Дж, то какая будет электродвижущая сила (ЭДС) источника?"
Варианты ответов
- 5 В
- 12 В
- 6 В
- 30 В
Вопрос 10
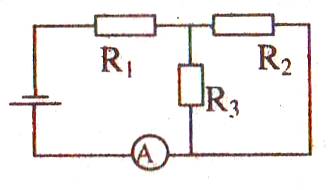
В цепи, изображенной на схеме с сопротивлениями R1 = 4,9 Ом, R2 = 7 Ом, R3 = 3 Ом и внутренним сопротивлением источника 1 Ом, амперметр показывает ток 1 А. Как определить электродвижущую силу (ЭДС) и напряжение на зажимах батареи?
Варианты ответов
- ЭДС = 7 В
- ЭДС = 8 В
- U = 7 B
- U = 6 B
- ЭДС = 10 B
- U = 10 B
Вопрос 11
В схеме на рисунке четыре одинаковых лампы сопротивлением 4 Ом подключены к источнику постоянного напряжения. Необходимо определить общее сопротивление цепи 
Варианты ответов
- 15 Ом
- 20 Ом
- 10 Ом
- 5 Ом
Вопрос 12
Найдите полное сопротивление цепи, если сопротивление резисторов
,
, 
.
Варианты ответов
- 30 Ом
- 20 Ом
- 18 Ом
- 10 Ом
Вопрос 13
В цепи последовательно соединены проводники сопротивлениями 20 Ом и 40 Ом. На концах первого проводника приложено напряжение 50 В. Необходимо определить общее напряжение, общее сопротивление и силу тока на первом и на втором проводнике.
Варианты ответов
- I1 = 2,5 A
- I1 = 0.8 A
- Rобщ = 13 Ом
- Rобщ = 60 Ом
- I2 = 2,5 A
- I2 = 2 A
- Uобщ = 150 В
- Uобщ = 100 В


