Схемотехника электронных устройств
Список вопросов теста
Вопрос 1
Дана блок-схема, изображенная на рисунке.
Определить: блок-схема какого устройства изображена на рисунке, пояснить принцип работы и назначения каждого элемента схемы.

Варианты ответов
- фотодиодная матрица
- микро-ЭВМ
- микро-процессор
- программируемая логическая матрица
- шифрато
Вопрос 2

Дана блок-схема, изображенная на рисунке.
Определить: блок-схема какого устройства изображена на рисунке, пояснить принцип работы и назначения каждого элемента схемы.
Варианты ответов
- фотодиодная матрица
- микро-ЭВМ
- микро-процессор
- программируемая логическая матрица
- матрица памяти
Вопрос 3

Дана блок-схема, изображенная на рисунке.
Определить: блок-схема какого устройства изображена на рисунке, пояснить принцип работы и назначения каждого элемента схемы.
Варианты ответов
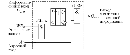
- ячейка памяти
- микро-ЭВМ
- микро-процессор
- программируемая логическая матрица
Вопрос 4
Дана блок-схема, изображенная на рисунке.
Определить: блок-схема какого устройства изображена на рисунке, пояснить принцип работы и назначения каждого элемента схемы.

Варианты ответов
- ячейка памяти
- микро-ЭВМ
- микро-процессор
- регистр сдвига
Вопрос 5
Дана блок-схема, изображенная на рисунке.
Определить: блок-схема какого устройства изображена на рисунке, пояснить принцип работы и назначения каждого элемента схемы.

Варианты ответов
- ячейка памяти
- счетный триггер
- микро-процессор
- регистр сдвига
Вопрос 6
Дана блок-схема, изображенная на рисунке.
Определить: блок-схема какого устройства изображена на рисунке, пояснить принцип работы и назначения каждого элемента схемы.

Варианты ответов
- ячейка памяти
- счетный триггер
- микро-процессор
- D триггер
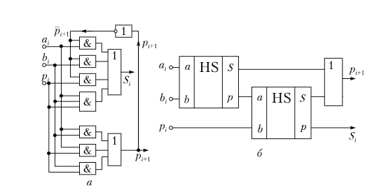
Вопрос 7
Дана блок-схема, изображенная на рисунке.
Определить: блок-схема какого устройства изображена на рисунке, пояснить принцип работы и назначения каждого элемента схемы.

Варианты ответов
- сумматор
- шифратор
- дешифратор
- матрица памяти
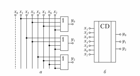
Вопрос 8
Дана блок-схема, изображенная на рисунке.
Определить: блок-схема какого устройства изображена на рисунке, пояснить принцип работы и назначения каждого элемента схемы.

Варианты ответов
- мультиплексор
- шифратор
- дешифратор
- демультиплексор
Вопрос 9
Дана блок-схема, изображенная на рисунке.
Определить: блок-схема какого устройства изображена на рисунке, пояснить принцип работы и назначения каждого элемента схемы.

Варианты ответов
- мультиплексор
- шифратор
- дешифратор
- демультиплексор
Вопрос 10
Дана блок-схема, изображенная на рисунке.
Определить: блок-схема какого устройства изображена на рисунке, пояснить принцип работы и назначения каждого элемента схемы.

Варианты ответов
- мультиплексор
- шифратор
- дешифратор
- демультиплексор
Вопрос 11
Дана блок-схема, изображенная на рисунке.
Определить: блок-схема какого устройства изображена на рисунке, пояснить принцип работы и назначения каждого элемента схемы.

Варианты ответов
- мультиплексор
- шифратор
- дешифратор
- демультиплексор
- Декодер
Вопрос 12
Дана блок-схема, изображенная на рисунке.
Определить: блок-схема какого устройства изображена на рисунке, пояснить принцип работы и назначения каждого элемента схемы.

Варианты ответов
- Программируемая логическая матрица
- шифратор
- дешифратор
- демультиплексор
- Декодер


