Последовательное соединение проводников
Список вопросов теста
Вопрос 1
Укажите истинность определений. Последовательное соединение - это...
Варианты ответов
- такое соединение, при котором проводники имеют по одной общей точке.
- такое соединение, при котором проводники имеют по две общие точки.
- такое соединение, при котором проводники не имеют общих точек.
- такое соединение, при котором проводники имеют по три общие точки.
Вопрос 2
Закончите предложение: при последовательном соединении сила тока во всех проводниках... Ответ запишите в слово в нужной форме. Например, энергия
Вопрос 3
Заполните пропуск. При последовательном соединении полное напряжение в цепи равно ... напряжений на отдельных её участках.
Варианты ответов
- сумме
- разности
- произведению
- частному
Вопрос 4
Где применяется последовательное соединение проводников? Ответьте "да" или "нет".
Варианты ответов
- ёлочная гирлянда
- квартира
- производство
- на космических станциях
Вопрос 5
Сколько электрических лампочек нужно взять, для изготовления ёлочной гирлянды, чтобы её можно было включать в осветительную сеть с напряжением 220 В, если каждая лампа имеет сопротивление 23 Ом и рассчитана на силу тока 0,28 А? В ответ запишите только число. Например, 10
Вопрос 6
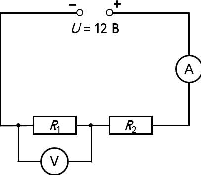
Определите показания приборов в цепи, схема которой представлена на рисунке. Сопротивления резисторов R1 = 20 Ом, R2 = 40 Ом. Ответ запишите без единиц измерения через пробел в порядке: сила тока, напряжение. Например, 1 2

Вопрос 7
Чему равно полное сопротивление последовательной цепи из резисторов R1 = 100 Ом, R2 = 0,20 кОм, R3 = 0,007 МОм?
Варианты ответов
- 7300 Ом
- 73000 Ом
- 700 Ом
- 73 мОм
Вопрос 8
Резистор сопротивлением 8,0 Ом соединён последовательно с нихромовой проволокой сечением 0,22 мм2 и длиной 80 см. Определите силу тока в цепи при подаче на неё напряжения 12 В. Ответ дайте с точностью до ампера. Единицы измерения не пишите. Например, 9
Вопрос 9
Лампу сопротивлением 4,0 Ом, рассчитанную на номинальное напряжение 12 В, нужно подключить к источнику, имеющему напряжение 15 В. Какое дополнительное сопротивление нужно включить в цепь?
1.
1
2.
2
3.
3
4.
4
5.
5
Варианты ответов
- R, Ом
Вопрос 10
Укажите верные ответы.
К источнику с напряжением 12 В подключены последовательно резисторы сопротивлением R1 =8,0 Ом и R2 = 16 Ом. Чему равно полное сопротивление цепи? Какова сила тока в каждом резисторе? Каково напряжение на каждом резисторе?
Варианты ответов
- Rобщ = 24 Ом
- Rобщ = 8 Ом
- I = 0,5 А
- I = 1,5 А
- U1 = 4 В
- U2 = 8 В
- U2 = 4 В
- U1 = 8 В


