Параллельное соединение проводников
Список вопросов теста
Вопрос 1
Параллельное соединение - это такое соединение, при котором...
Варианты ответов
- проводники имеют по две общие точки.
- проводники имеют по одной общей точки.
- проводники не имеют общих точек.
- проводники имеют по три общие точки.
Вопрос 2
Какая физическая величина одинакова на концах всех параллельно соединённых проводников?
Варианты ответов
- напряжение
- сила тока
- электрическое поле
- сопротивление
Вопрос 3
При параллельном соединении сила тока в неразветвлённой части цепи...
Варианты ответов
- равна сумме сил токов в ветвях.
- равна разности сил токов в ветвях.
- равна силе тока в цепи.
- равна отношению сил токов в ветвях.
Вопрос 4
Где применяется параллельное соединение проводников?
Варианты ответов
- ёлочная гирлянда
- бытовые помещения
- квартиры
- промышленность
Вопрос 5
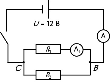
В электрической цепи, представленной на рисунке, сопротивление резистора R1 = 60 Ом, показания амперметра А = 0,5 А. Найдите показания амперметра А1, полное сопротивление участка ВС и сопротивление второго резистора. Ответы записывайте без единиц измерения через 1 пробел в порядке следования вопросов в задаче. Например, 1 2 3

Вопрос 6
Найдите сопротивление изображённой на рисунке электрической цепи, если R1 = 50 Ом и R2 = 30 Ом соответственно, а сопротивление спирали лампы составляет 200 Ом. В ответ запишите только число. Например, 1,1

Вопрос 7
Каково сопротивление участка из двух параллельно соединённых резисторов сопротивлениями R1 = 200 Ом, R2 = 300 Ом?
Варианты ответов
- 120 Ом
- 500 Ом
- 100 Ом
- 0,0083 Ом
Вопрос 8
При подключении к источнику напряжением U = 12 В двух параллельно соединённых резисторов в цепи возник ток силой I = 1,5 А. Какое сопротивление второго резистора, если у первого оно равно R1 = 10 Ом? В ответ запишите только число. Например, 1
Вопрос 9
Однородный проводник сопротивлением R разрезали на n одинаковых частей и соединили параллельно. Чему равно сопротивление такого участка?
Варианты ответов
- R/n
-
R/n2
-
R/\(\sqrt{n}\)
-
R/n4
Вопрос 10
К источнику тока подключены три одинаковых резистора сопротивлением 9 Ом каждый, соединённых по схеме, показанной на рисунке. Определите силы токов, проходящих через каждый резистор, если напряжение на зажимах источника равно 27 В. Сопротивлением соединительных проводов пренебречь.

Варианты ответов
- 3 А
- 3 мА
- 30 А
- 300 мА


