МДК.01.01. Домашняя работа № 4
Список вопросов теста
Вопрос 1
Сопоставьте обозначения масштабов с их наименованиями.
1.
2:1, 2.5:1, 4:1, 5:1, 10:1, 20:1, 40:1, 50:1, 100:1
2.
1:1
3.
1:2, 1:2.5; 1:4, 1:5, 1:10, 1:15, 1:20, 1:25, 1:40, 1:50, 1:75, 1:100, 1:200, 1:400, 1:500, 1:800, 1:1000
Варианты ответов
- Натуральная велиниа
- Масштабы уменьшения
- Масштабы увеличения
Вопрос 2
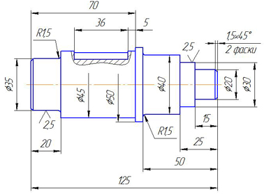
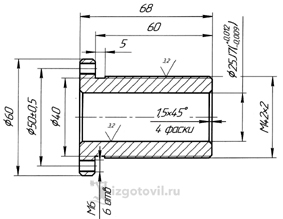
Определите массу детали в кг.

Вопрос 3
Определите коэффициент использования металла.

Заготовка: .
Длина заготовки: 73 мм.
Вопрос 4
Сопоставьте толщину линии на чертеже с ее наименованием.
1.
S
2.
От S/3 до S/2
3.
От S/2 до 2S/3
4.
От S до 1.5 S
Варианты ответов
- Сплошная тонкая
- Штрихпунктирная утолщенная
- Основная сплошная
- Разомкнутая
Вопрос 5
Основной элемент любого чертежа это...
Ответ введите с маленькой буквы во множественном числе без каких либо пробелов, кавычек и точек в конце.


