Промежуточная аттестация. Физика
Список вопросов теста
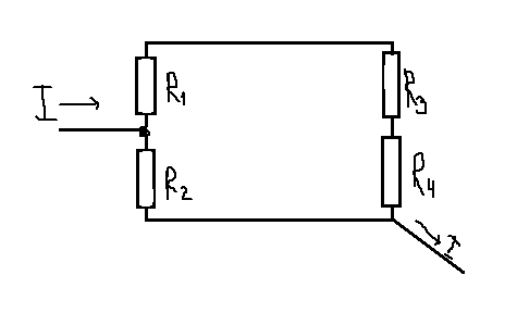
Вопрос 1
- Вычислить общее сопротивление участка цепи, изображенного на рисунке, если R1=6 Ом R2=3 Ом R3=6 Ом R4=24 Ом

Варианты ответов
- 32
- 39
- 30,5
Вопрос 2
Вычислить общее сопротивление участка цепи, изображенного на рисунке, если R1=60 Ом R2=12 Ом R3=15 Ом R4=3 Ом

Варианты ответов
- 90 Ом
- 30 Ом
- 10,4 Ом
Вопрос 3
Проводники с сопротивлениями R1=2 Ом R2=3 Ом R3=5 Ом соединены по схеме, изображенной на рисунке. Найти сопротивление этой цепи.

Варианты ответов
- 10 Ом
- 2,5 Ом
- 4 Ом
Вопрос 4
На рисунке изображен длинный цилиндрический проводник, по которому протекает электрический ток. Направление тока указано стрелкой.Как направлен вектор магнитной индукции поля этого тока в точке C?
Варианты ответов
- в плоскости чертежа вверх
- в плоскости чертежа вниз
- от нас перпендикулярно плоскости чертежа
- к нам перпендикулярно плоскости чертежа
Вопрос 5
Чему равна работа, совершаемая идеальным одноатомным газом при реализации процесса 1–2–3 (см. рисунок). Ответ укажите в джоулях с точностью до десятых.

Варианты ответов
- 162,5
- 163
- 161
Вопрос 6
На графике представлено три изотермы для одинокого количества вещества, определите где температура выше?

Варианты ответов
- 1
- 2
- 3
Вопрос 7
На графике показана зависимость давления от концентрации для двух идеальных газов при фиксированных температурах. Чему равно отношение температур Т2/Т1

Варианты ответов
- 1
- 2
- 0,5
Вопрос 8
В сосуде находится некоторое количество идеального газа. Во сколько раз изменится температура газа, если он перейдёт из состояния 1 в состояние 2 (см. рисунок)?

Варианты ответов
- 4
- 2
- 3
Вопрос 9
Какую работу совершает газ при переходе из состояния 1 в состояние 3? (Ответ дайте в кДж.)

Варианты ответов
- 4000
- 4
- 40
Вопрос 10
Идеальная тепловая машина с КПД 60 %
Варианты ответов
- 40
- 100
- 60
Вопрос 11
В вершинах квадрата закреплены положительные точечные заряды – так, как показано на рисунке.
Как направлен относительно рисунка (вправо, влево, вверх, вниз, к наблюдателю, от наблюдателя) вектор напряжённости электрического поля в центре O квадрата? Ответ запишите словом (словами).

Варианты ответов
- влево
- вправо
- вверх
- вниз
Вопрос 12
По графику определить сопротивление проводника

Варианты ответов
- 4000
- 400
- 40
Вопрос 13
Произведение модуля заряда, скорости его движения, модуля вектора магнитной индукции, синуса угла между вектором скорости и вектором магнитной индукции называется...
Варианты ответов
- Магнитная проницаемость среды
- Магнитный поток
- Сила Лоренца
- Сила Ампера
Вопрос 14
На каком из участков графика (1, 2, 3 или 4) в контуре не возникает ЭДС индукции?

Варианты ответов
- 1
- 2
- 3
- 4
Вопрос 15
К источнику тока присоединены два одинаковых резистора, соединенных параллельно.Как изменятся общее сопротивление цепи, если удалить один из резисторов?

Варианты ответов
- увеличится
- уменьшится
- не изменится
Вопрос 16
На рисунке изображен циклический процесс 1→2→3→4→1, совершаемый над идеальным газом. Можно утверждать, что

Варианты ответов
- на участке 1→2 газ работу не совершает
- на участке 4→1 внутренняя энергия газа увеличивается
- на участке 1→2 газу сообщают некоторое количество теплоты
- на участке 2→3 газ совершает положительную работу
Вопрос 17
Значение температуры по шкале Цельсия, соответствующее абсолютной температуре 20 K, равно:
Варианты ответов
- -253
- -273
- 253
- 293
Вопрос 18
На рисунке показана часть шкалы комнатного термометра. Определите абсолютную температуру воздуха в комнате.

Варианты ответов
- 19
- 17
- 291
Вопрос 19
При понижении абсолютной температуры идеального газа в 1,5 раза средняя кинетическая энергия теплового движения молекул
Варианты ответов
- увеличится в 1,5 раза
- уменьшится в 1,5 раза
- уменьшится в 2,25 раза
- не изменится
Вопрос 20
Вычислить общее сопротивление участка цепи, изображенного на рисунке, если R1=6 Ом R2=3 Ом R3=5 Ом R4=24 Ом

Варианты ответов
- 3 Ом
- 0,6 Ом
- 38 Ом
Вопрос 21
При температуре 0о С и давлении 105 Па воздух занимает объем 5∙10-3 м3. Каким будет объем данной массы воздуха при давлении 1,05∙105 Па и температуре 20°С?
Варианты ответов
- 0,0054
- 0,54
- 0,1
- 0,007
Вопрос 22
Определите силу тока при коротком замыкании батареи с ЭДС 9 В, если при замыкании ее на внешнее сопротивление 3 Ом ток в цепи равен 2 А.
Варианты ответов
- 6
- 12
- 18
Вопрос 23
Выразить в системе СИ: 0 градусов Цельсия; -10 градусов Цельсия; 23 градусов Цельсия.
Варианты ответов
- -273; 263; 293
- 273; 263; 296.
- 273; -263; 293


