Электромагнетизм (жыйынтыктоочу текшерүү)
Список вопросов теста
Вопрос 1
Нерселердин электромагниттик өз ара аракеттенишүүгө катышуу жөндөмдүүлүгүн аныктоочу скалярдык физикалык чоңдук.
Жооптордун бирин тандагыла:
Варианты ответов
- Электр заряды
- Оң (терс) ион
- Протон
- Электрон
Вопрос 2
Массасы 1 г жана заряды 0,1 мкКл болгон шарча чыңалышы 100 \(кВ/м\) болгон бир тектүү горизонталдуу электр талаасында салмаксыз жана созулбас жипке асылып турат. Эгерде эркин түшүүнүн ылдамдануусу
Сандык маанисин жазгыла:
Т, мН=______
Вопрос 3
Салыштыргыла.
Жооптордун бардык 4 варианттары үчүн туура келгендерин көрсөткүлө:
1.
Эквипотенциалдык бет
2.
Потенциалдык бет
3.
Нөл
4.
Потенциалдар айырмасы
5.
Өз ара перпендикуляр
Варианты ответов
- Ар бир чекитинде потенциал бирдей болгон элестетилген бет
- Зарядды берилген эки чекиттин арасында которуу үчүн талаанын күчтөрүнүн аткарган жумушунун ал заряддын чоңдугуна болгон катышына сан жагынан барабар болгон скалярдык физикалык чоңдук
- Эквипотенциалдык беттин каалаган эки чекитинин ортосундагы потенциалдардын айырмасы
- Эквипотенциалдык беттер жана электростатикалык талаанын чыңалыш сызыктары
Вопрос 4
Заряддалган конденсатордун электростатикалык талаасынын энергиясын эсептөөгө жарабаган формулаларды көрсөткүлө.
Жооптордун варианттарынын туура же жалган экендигин көрсөткүлө:
Варианты ответов
-
2C/q2
-
qU/2
-
CU2/2
-
q2/2C
-
2U/C2
Вопрос 5
Импульстук “жарк этменин” лампасы сыйымдуулугу 900 мкФ болгон жана 300 В чыңалууга чейин заряддалган конденсатордон азыктанат. Эгерде конденсатор 2,5 мс ичинде разряддалса, жарык импульсунун орточо кубаттуулугун аныктагыла.
Сан маанисин жазгыла:
N, кВт =_______
Вопрос 6
Өлчөөчү прибордун каршылыгы 400 Ом болгон катушкасы узундугу 80 м жана туура кесилишинин аянты 0,10 мм2 болгон зымдан оролуп жасалган. Бул зым кайсы материалдан жасалган?
Жообун жазгыла: ________________
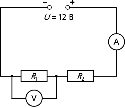
Вопрос 7
Схемасы сүрөттө көрсөтүлгөн электр чынжырындагы приборлордун көрсөтүүлөрүн аныктагыла. Резисторлордун каршылыктары R1 = 40 Ом, R2 = 60 Ом.
Санды жазгыла:
I, А _______; U1, В ______

Вопрос 8
Кызытма лампада энергиянын
Санды жазгыла:
t, с ________
Вопрос 9
Туура эмес ой жүгүртүүлөрдү көрсөткүлө.
Жооптордун 5 варианттарынын арасынан бир нечесин тандагыла:
Варианты ответов
- Металл өткөргүчүнүн салыштырма каршылыгы температуранын жогорулашы менен экспоненциалдык түрдө өсөт.
- Бардык металлдардын температуралык коэффициенттери нөлдөн чоң.
- Бетинин жарыктандырылышы көбөйгөндө металлдардын каршылыгы көбөйөт.
- Металл өткөргүчүнүн салыштырма каршылыгы температуранын жогорулашы менен сызыктуу түрдө өсөт.
- Температура жогорулаганда металлдардын каршылыгы жогорулайт.
Вопрос 10
Магниттик сызыктардын сүрөтү боюнча ... жөнүндө маалымат айтууга болот.
Варианты ответов
- магнит талаасынын түсү
- магнит талаасынын багыты
- магнит талаасынын бир тектүү же бир тектүү эместиги
- магнит талаасынын чоңдугу
Вопрос 11
Кайсы зат магнитке тартылат?
Жооптордун арасынан бир нечесин тандагыла:
Варианты ответов
- Слюда
- Айнек
- Никель
- Болот
- Темир
Вопрос 12
Тогу бар түз өткөргүчкө жакын жайгашкан магнит жебеси
Жооптордун варианттарынын туура же жалган экендигин көрсөткүлө:
Варианты ответов
- өткөргүчтүн айланасындагы электр талаасы өзгөрдү
- магнит жебеси кайра магниттелди
- өткөргүчтөгү токтун күчү өзгөрдү
- өткөргүчтөгү токтун багыты өзгөрдү
Вопрос 13
Магнит талаасынын индукциясынын модулунун магнит талаасы каптап өтүүчү беттин аянтына жана индукция вектору менен ал бетке тургузулган нормалдын арасындагы бурчтун косинусуна көбөйтүндүсүнө барабар физикалык чоңдук кандайча аталат?
Жообун жазгыла: ____________
Вопрос 14
Индуктивдүүлүгү 50 мГн болгон соленоид аркылуу 2 А га барабар ток өтөт. Соленоиддин магниттик энергиясын тапкыла.
Жооптордун арасынан бир нечесин тандагыла:
Варианты ответов
- 50 мДж
- 0,04 Дж
- 100 мДж
- 0,1 Дж
Вопрос 15
Кыргыз Республикасында өзгөрмө токтун стандарттык жыштыгы ... барабар.
Санды жазгыла:
Вопрос 16
Реактивдүү каршылык деп эмнени айтышат?
Жооптордун варианттарынын ичинен бир нечесин тандагыла:
Варианты ответов
- катушканын каршылыгы
- резистордун каршылыгы
- чынжырдын толук каршылыгы
- конденсатордун каршылыгы
Вопрос 17
Берилген заряд ага салыштырмалуу тынч абалда боло ала турган эсептөө системасында ... талаасы жашайт.
Жооптордун варианттарынын бирин тандагыла:
Варианты ответов
- бир гана электр
- өзгөрмө электромагниттик
- турактуу электр жана магнит
- бир гана магнит
Вопрос 18
Ой жүгүртүүлөрдүн туура же жалган экендигин белгилегиле.
Варианты ответов
- - Электромагниттик толкун - бул өзгөрмө электромагниттик талаанын убакыттын өтүшү менен мейкиндикте таралуу процесси.
- - Электромагниттик толкундун ылдамдыгы турактуу жана жарыктын вакуумда таралуу ылдамдыгына барабар.
- - Электромагниттик толкун – узатасына таралуучу толкун.
- - Электромагниттик толкун - бул турактуу электромагниттик талаанын убакыттын өтүшү менен мейкиндикте таралуу процесси.
- - Электромагниттик толкун – туурасына таралуучу толкун.
Вопрос 19
Суунун нейтраль тамчысынан адегенде бир электрон бөлүнүп чыкты. Андан кийин бир заряддуу оң ион бирикти. Эми суунун тамчысынын электрдик заряды кандай болуп калды?
Варианты ответов
-
3,2\(\times10^{-19}\ Кл\)
-
-3,2\(\times10^{-19}\) Кл
-
1,6\(\times10^{-19}\) Кл
-
-1,6\(\times10^{-19}\) Кл
- 0 Кл
Вопрос 20
Электр чынжыры ички каршылыгы 2 Ом болгон ток булагынан жана каршылыгы 12 Ом болгон керектөөчүдөн түзүлгөн. Ток булагынын ЭКК канчага барабар? Чынжырдагы ток күчү 6А.
Варианты ответов
- 72 В
- 12 В
- 84 В
- 60 В
- 36 В
Вопрос 21
Электростанциялардан алынуучу энергия
1 кВт\(\times\)саат =.....
Варианты ответов
-
1кВт\(\times\)саат = 1 Дж
-
1кВт\(\times\)саат = 1 кДж
-
1кВт\(\times\)саат = 3,6 МДж
-
1кВт\(\times\)саат = 3600 Дж
-
1кВт\(\times\)саат = 500 Дж
Вопрос 22
Жарым өткөргүчтү жарыктандырганда чынжырдагы ток күчүнүн өсүшү ... менен түшүндүрүлөт.
Варианты ответов
- зарядды алып жүрүүчүлөрдүн концентрациясынын өсүшү
- рекомбинация ылдамдыгынын көбөйүшү
- көлөмдүк заряддын пайда болушу
- электрондордун эмиссиясы
Вопрос 23
Тогу бар катушканын ичине темир өзөкчөнү киргизгенде катушканын ичиндеги магнит талаасынын индукциясынын чоңдугу ...
Варианты ответов
- аябай көбөйөт
- азайат
- кичине көбөйөт
- өзгөрбөйт
- кичине азайат
Вопрос 24
Гармоникалык электр термелүүлөрү болуп жаткан идеал термелүү контурундагы электр талаасынын энергиясынын максималдык мааниси 20 Дж га, ал эми катушканын магнит талаасынын энергиясынын максималдык мааниси да 20 Дж га барабар. Контурдун электромагниттик талаасынын энергиясы убакыттын өтүшү менен кандай өзгөрөт?
Варианты ответов
- өзгөрбөйт жана 20 Дж га барабар
- өзгөрбөйт жана 40 Дж барабар
- 0 дон 40 Дж га чейин өзгөрөт
- 0 дон 20 Дж га чейин өзгөрөт
- өзгөрбөйт жана 0 Дж га барабар
Вопрос 25
Каршылыктары
R1 = R2 = R3 = R4 = R5 = R6 = 1 Ом болгон өткөргүчтөр чынжырда сүрөттө көрсөтүлгөндөй схемада туташтырылса, анда бул өткөргүчтөрдүн жалпы каршылыгын тапкыла.

Варианты ответов
- 2
- 3
- 4
- 5
- 6


