Меню
Разработки
Разработки  /  Информатика  /  Презентации  /  Презентация по информатике "Использование ИТ в электроэнергетике"

Презентация по информатике "Использование ИТ в электроэнергетике"

Презентация позволит изучить интерфейс системы КОМПАС-3DV13, приемы создания листа чертежа, выбор форматов чертежей, возможности управления размером изображения на экране монитора.
21.05.2015

Описание разработки

Цели урока:

Изучить:

- Интерфейс системы КОМПАС-3DV13;

- Приемы создания листа чертежа, выбор форматов чертежей

- Возможности управления размером изображения на экране монитора;

- Загрузка библиотеки ESKW в программе Компас 3D V13;

- Проектирование электрических схем.

Создать:

- на экране лист чертежа формата А3, расположенный горизонтально, заполнить основную надпись. Создать свою папку, сохранить чертеж.

Роль информационных технологий особенно велика в стратегических отраслях экономики, одной из которых является энергетика.

Система автоматизированного проектирования (САПР) или CAD - программный пакет, предназначенный для создания чертежей, конструкторской и/или технологической документации и 3D моделей.

САПР=CAD/CAM/CAE/PDM

- CAD - computer Aided Design (САПР). Общий термин для обозначения всех аспектов проектирования с использованием средств вычислительной техники. Обычно охватывает создание геометрических моделей изделия. (Твердотельные,3D). А также генерацию чертежных изделий и их сопровождений.

CAM – Computer Aided Manufacturing. Общий термин для обозначения системы автоматизированной подготовки производства, общий термин для обозначения ПС подготовки информации для станков с ЧПУ. Традиционно исходными данными для таких систем были геометрические модели деталей, полученных из систем CAD.

Презентация по информатике Использование ИТ в электроэнергетике

CAE – Computer Aided Engineering. Система автоматического анализа проекта. Общий термин для обозначения информационного обеспечения условий автоматизированного анализа проекта, имеет целью обнаружение ошибок (прочностные расчеты) или оптимизация производственных возможностей.

- PDM – Product Data Management. Система управления производственной информацией. Инструментальное средство, которое помогает администраторам, инженерам, конструкторам и так далее управлять как данными так и процессами разработки изделия на современных производственных предприятиях или группе смежных предприятий.

Системы автоматизированного проектирования (САПР) призваны расширить автоматизацию проектно-конструкторских работ с применением электронно-вычислительной техники.

Запуск и настройка программы.

КОМПАС-3D - любимый инструмент сотен тысяч инженеров - конструкторов и проектировщиков в России и многих других странах. Всенародное признание ему обеспечили мощный функционал, простота освоения и работы, поддержка российских стандартов, широчайший набор отраслевых приложений. В данной практической работе учимся выполнять электрические схемы в программе КОМПАС V13. Прежде всего, нужно скачать библиотеку к ней. Библиотека в папке ESKW.

После запуска программы, выйдет окно приветствия, а затем следующее окно, где нужно будет выбрать тип документа, в котором и буду работать.

Наиболее простым видом главной схемы, является схема с устройствами и трансформаторами (рис1); достоинства схемы заключаются в крайней простоте, наглядности в натуре и минимальных затратах на выполнение.

Составление электрических схем в системе Компас 3D V13.

Составление схемы электрической удобно выполнить средствами системы Компас 3D V13  версии. Простота освоения и работы, богатые функциональные возможности системы Компас 3D V13 позволяют использовать его в различных направлениях проектной деятельности, в том числе и в разработке объектов электроснабжения.

Взаимодействие пользователя с системой Компас 3D V13 обеспечивается набором стандартных средств: панелей, командных кнопок и окон.

Содержимое разработки

«Студент и информационные технологии»   Использование ИТ –в электроэнергетике.   Разделы 1. Запуск и настройка программы. 2. Составление электрических схем в системе Компас 3D  V13. 2.1. Загрузка библиотеки ESKW в программе КОМПАС 3D V13. 2.2 Проектирование электрической схемы. Преподаватель ГБПОУ СПО ¨НПЭК ¨  Булаткина Т.М. 2015г.

«Студент и информационные технологии» Использование ИТ –в электроэнергетике.

Разделы

1. Запуск и настройка программы.

2. Составление электрических схем в системе Компас 3D V13.

2.1. Загрузка библиотеки ESKW в программе КОМПАС 3D V13.

2.2 Проектирование электрической схемы.

Преподаватель ГБПОУ СПО ¨НПЭК ¨ Булаткина Т.М.

2015г.

Цели урока:   Изучить:  - Интерфейс системы КОМПАС-3DV13;  - Приемы создания листа чертежа, выбор форматов чертежей  - Возможности управления размером изображения на экране монитора;  - Загрузка библиотеки ESKW в программе Компас 3D V13;  - Проектирование электрических схем .  Создать:  - на экране лист чертежа формата А3, расположенный горизонтально, заполнить основную надпись. Создать свою папку, сохранить чертеж.

Цели урока: Изучить: - Интерфейс системы КОМПАС-3DV13; - Приемы создания листа чертежа, выбор форматов чертежей - Возможности управления размером изображения на экране монитора; - Загрузка библиотеки ESKW в программе Компас 3D V13; - Проектирование электрических схем . Создать: - на экране лист чертежа формата А3, расположенный горизонтально, заполнить основную надпись. Создать свою папку, сохранить чертеж.

Роль информационных технологий особенно велика в стратегических отраслях экономики, одной из которых является энергетика .

Система автоматизированного проектирования (САПР) или CAD - программный пакет, предназначенный для создания чертежей, конструкторской и/или технологической документации и 3D моделей.

САПР = CAD / CAM / CAE / PDM

  • CAD - computer Aided Design (САПР). Общий термин для обозначения всех аспектов проектирования с использованием средств вычислительной техники. Обычно охватывает создание геометрических моделей изделия. (Твердотельные,3D). А также генерацию чертежных изделий и их сопровождений.
  • CAM – Computer Aided Manufacturing. Общий термин для обозначения системы автоматизированной подготовки производства, общий термин для обозначения ПС подготовки информации для станков с ЧПУ. Традиционно исходными данными для таких систем были геометрические модели деталей, полученных из систем CAD.
  • CAE – Computer Aided Engineering. Система автоматического анализа проекта. Общий термин для обозначения информационного обеспечения условий автоматизированного анализа проекта, имеет целью обнаружение ошибок (прочностные расчеты) или оптимизация производственных возможностей.
  • PDM – Product Data Management. Система управления производственной информацией. Инструментальное средство, которое помогает администраторам, инженерам, конструкторам и так далее управлять как данными так и процессами разработки изделия на современных производственных предприятиях или группе смежных предприятий.

Системы автоматизированного проектирования (САПР) призваны расширить автоматизацию проектно-конструкторских работ с применением электронно-вычислительной техники.

САПР = CAD / CAM / CAE / PDM

Системы автоматизированного проектирования (САПР) призваны расширить автоматизацию проектно-конструкторских работ с применением электронно-вычислительной техники

Запуск и настройка программы.

КОМПАС-3D - любимый инструмент сотен тысяч инженеров - конструкторов и проектировщиков в России и многих других странах. Всенародное признание ему обеспечили мощный функционал, простота освоения и работы, поддержка российских стандартов, широчайший набор отраслевых приложений. В данной практической работе учимся выполнять электрические схемы в программе КОМПАС V13. Прежде всего, нужно скачать библиотеку к ней. Библиотека в папке ESKW.

После запуска программы, выйдет окно приветствия, а затем следующее окно, где нужно будет выбрать тип документа, в котором и буду работать.

Электрическая схема – это тоже документ, где обозначены электрические связи между составными частями устройства, работающими при помощи электрической энергии.

Таким образом основное назначение электрической схемы – дать понимание принципа работы того или иного устройства (электроустановки).

Самый распространенный тип электрических схем – это принципиальные схемы, дающий наиболее полное представление о работе электрических цепей установки.

Здесь показываются все электрические и магнитные связи между функциональными частями и компонентами электроустановки.

Принципиальная электрическая схема может быть как полной, так и однолинейной. Однолинейная схема проще по уровню восприятия и довольно широко используется в электроэнергетике.

Наиболее простым видом главной схемы, является схема с устройствами и трансформаторами (рис1); достоинства схемы заключаются в крайней простоте, наглядности в натуре и минимальных затратах на выполнение.

Рисунок 1. Фрагмент схемы принципиально электрической с пакетными переключателями и трансформаторами

Рисунок 1. Фрагмент схемы принципиально электрической с пакетными переключателями и трансформаторами

Составление электрических схем в системе Компас 3D V13.  Составление схемы электрической удобно выполнить средствами системы Компас 3D V13 версии. Простота освоения и работы, богатые функциональные возможности системы Компас 3D V13 позволяют использовать его в различных направлениях проектной деятельности, в том числе и в разработке объектов электроснабжения.  Взаимодействие пользователя с системой Компас 3D V13 обеспечивается набором стандартных средств: панелей, командных кнопок и окон. При возникновении затруднительных ситуаций во время работы с системой можно быстро получить необходимую справку. Более подробные сведения о системе Компас 3D V13 можно получить, обратившись к литературным источникам.

Составление электрических схем в системе Компас 3D V13.

Составление схемы электрической удобно выполнить средствами системы Компас 3D V13 версии. Простота освоения и работы, богатые функциональные возможности системы Компас 3D V13 позволяют использовать его в различных направлениях проектной деятельности, в том числе и в разработке объектов электроснабжения.

Взаимодействие пользователя с системой Компас 3D V13 обеспечивается набором стандартных средств: панелей, командных кнопок и окон.

При возникновении затруднительных ситуаций во время работы с системой можно быстро получить необходимую справку. Более подробные сведения о системе Компас 3D V13 можно получить, обратившись к литературным источникам.

Загрузка библиотеки ESKW программе Компас 3D V13. Загрузив библиотеку ESKW, распаковываем, и копируем ее в корень папки, куда установлена программа КОМПАС. Затем СЕРВИС → МЕНЕДЖЕР БИБЛИОТЕК. В панели → МЕНЕДЖЕР БИБЛИОТЕК, выбираем папку ПРИМЕРЫ БИБЛИОТЕК, нажимаем правую кнопку мыши и выбираем ДОБАВИТЬ ОПИСАНИЕ → ПРИКЛАДНОЙ БИБЛИОТЕКИ. В появившемся окошке, находим папку ESKW, которую распаковали и скопировали в корень папки с программой КОМПАС, заходим в эту папку и выбираем файл с названием

Загрузка библиотеки ESKW программе Компас 3D V13.

Загрузив библиотеку ESKW, распаковываем, и копируем ее в корень папки, куда установлена программа КОМПАС. Затем СЕРВИС МЕНЕДЖЕР БИБЛИОТЕК. В панели МЕНЕДЖЕР БИБЛИОТЕК, выбираем папку ПРИМЕРЫ БИБЛИОТЕК, нажимаем правую кнопку мыши и выбираем ДОБАВИТЬ ОПИСАНИЕ ПРИКЛАДНОЙ БИБЛИОТЕКИ.

В появившемся окошке, находим папку ESKW, которую распаковали и скопировали в корень папки с программой КОМПАС, заходим в эту папку и выбираем файл с названием "eskw", выбираем ОТКРЫТЬ.

В списке библиотек внизу программы появится новая библиотека, ставим галочку на ней и открываем эту библиотеку, при запуске библиотеки выйдет сообщение, выбираем ОК. Появится окно БИБЛИОТЕКА ESK6.1, где будем выбирать нужные нам радиодетали: резисторы, конденсаторы, диоды и пр. Это окно не закрываем. Это другой параметр для обзорного слайда. В меню НАСТРОЙКА выбираем НАСТРОЙКА КАТАЛОГА ОБОЗНАЧЕНИЙ:

В списке библиотек внизу программы появится новая библиотека, ставим галочку на ней и открываем эту библиотеку, при запуске библиотеки выйдет сообщение, выбираем ОК.

Появится окно БИБЛИОТЕКА ESK6.1, где будем выбирать нужные нам радиодетали: резисторы, конденсаторы, диоды и пр. Это окно не закрываем.

Это другой параметр для обзорного слайда.

В меню НАСТРОЙКА выбираем НАСТРОЙКА КАТАЛОГА ОБОЗНАЧЕНИЙ:

Настраиваем каталог графических обозначений Какие способности приобретут слушатели по завершении обучения? Коротко опишите каждую цель и полезность данной презентации для слушателей. Настраиваем каталог микросхем

Настраиваем каталог графических обозначений

Какие способности приобретут слушатели по завершении обучения? Коротко опишите каждую цель и полезность данной презентации для слушателей.

Настраиваем каталог микросхем

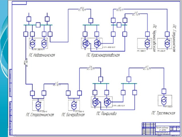
Используйте заголовки разделов для каждой из тем, чтобы переход был понятен для аудитории. На этом настройка и подготовка программы к работе завершены, теперь можно приступать к рисованию схемы. Строим схему согласно варианту задания

Используйте заголовки разделов для каждой из тем, чтобы переход был понятен для аудитории.

На этом настройка и подготовка программы к работе завершены, теперь можно приступать к рисованию схемы.

Строим схему согласно варианту задания

Добавьте слайды в раздел по каждой теме, включая слайды с таблицами, диаграммами и изображениями. Образцы макетов таблицы, диаграммы, изображения и видео см. в следующем разделе.

Добавьте слайды в раздел по каждой теме, включая слайды с таблицами, диаграммами и изображениями.

Образцы макетов таблицы, диаграммы, изображения и видео см. в следующем разделе.

2.2 Проектирование электрической схемы   При построении нового чертежа необходимо перейти по вкладкам Файл → Создать и в появившемся окне

2.2 Проектирование электрической схемы

  При построении нового чертежа необходимо перейти по вкладкам Файл Создать и в появившемся окне "Новый документ", показанном на рисунке 3, выбрать команду Чертеж

Рисунок 3 – Вид окна "Новый документ"

В рабочей области появится окно с листом и рамкой формата А3, показанное на рисунке 4.

Рисунок 4 – Вид окна с листом и рамкой, формата А4

Схема, которую мы будем рисовать объемная, поэтому лучше поменять формат листа, на формат А3 и лист расположить горизонтально. Для этого в меню СЕРВИС МЕНЕДЖЕР ДОКУМЕНТА, меняем настройки, затем сохраняем и закрываем окошко.

Будьте кратки. Сделайте текст как можно более кратким для использования крупного шрифта.

Рисунок 5 - Выбор формата листа

После нажатия кнопки Ok, формат и положение листа изменятся.

Пакетные переключатели .

Пакетные выключатели и переключатели, как и рубильники, предназначены для нечастых включений в сетях постоянного тока напряжением до 220 В, а также в сетях переменного тока напряжением не больше 380 В. Они компактны, имеют высокую разрывную способность, надежно работают при тряске и вибрациях. Применяются для управления мелкими асинхронными двигателями, переключения вольтметров на различные фазные и линейные напряжения, переключения обмоток электродвигателя со звезды на треугольник. В открытом и защищенном исполнениях устанавливаются в сухих не пыльных помещениях, не опасных в отношении пожара или взрыва, на щитах, в закрытых ящиках, нишах и т.п. Пакетные выключатели (переключатели) должны выдерживать при номинальном токе и номинальном напряжении количество переключений. Пакетный выключатель состоит из двух основных узлов: переключающего механизма и контактной системы , состоящей из отдельных изоляционных секций, в пазах которых находится два неподвижных контакта с внешними контактными винтами для подключения проводов. На схеме пакетные переключатели обозначаются условно.

Microsoft Инженерное мастерство

Секции устанавливаются одна над другой. На изолирующем валике квадратного сечения укреплены подвижные пружинящие контакты с фибровыми дугогасительными шайбами. Пакетный выключатель добирают на скобе и стягивают двумя шпильками вместе с переключающим механизмом, который помещается в его крышке. Переключающий механизм снабжен пружинным устройством, которое обеспечивает мгновенный разрыв контактов независимо от скорости поворота рукоятки. Пакетные выключатели обозначаются буквами ПВ, а переключатели — ПП. Первая цифра после букв указывает на число полюсов, вторая (после дефиса) — отключаемый ток в амперах при напряжении 220 В.

Конфиденциальная информация Майкрософт

Microsoft Инженерное мастерство Рисунок 6 – Пакетные переключатели При наличии подходящего видеосодержимого, такого как примеры, демонстрации продуктов или другие учебные материалы, также включите его в презентацию. Рисунок 7 - Повторение элементов схемы Конфиденциальная информация Майкрософт

Microsoft Инженерное мастерство

Рисунок 6 – Пакетные переключатели

При наличии подходящего видеосодержимого, такого как примеры, демонстрации продуктов или другие учебные материалы, также включите его в презентацию.

Рисунок 7 - Повторение элементов схемы

Конфиденциальная информация Майкрософт

Трансформатор (измеритель) тока имеет высокую точность, отличную термостабильность и стандартный двухпроводной аналоговый выход 4-20 мА с винтовым клеммным подсоединением. Провод с измеряемым током пропускается через отверстие бесконтактного трансформатора. Для увеличения чувствительности допускается пропускать провод несколько раз (витками) , при этом чувствительность увеличивается во столько раз, сколько раз провод проходит через отверстие - так, например, полный виток дает увеличение чувствительности в два раза. Рисунок 8 – Однолинейный трансформатор с переменной связью измерителя тока (в общем виде)

Трансформатор (измеритель) тока имеет высокую точность, отличную термостабильность и стандартный двухпроводной аналоговый выход 4-20 мА с винтовым клеммным подсоединением.

Провод с измеряемым током пропускается через отверстие бесконтактного трансформатора. Для увеличения чувствительности допускается пропускать провод несколько раз (витками) , при этом чувствительность увеличивается во столько раз, сколько раз провод проходит через отверстие - так, например, полный виток дает увеличение чувствительности в два раза.

Рисунок 8 – Однолинейный трансформатор с переменной связью измерителя тока (в общем виде)

У двухобмоточного трансформатора, на каждом стержне две обмотки -первичная и вторичная. Такой трансформатор может преобразовывать одно напряжение U1 в другое U2. Однако во многих случаях это оказывается недостаточным. Очень часто возникает необходимость иметь помимо напряжения U2 еще одно, третье, напряжение U3. Таким образом, напряжение сети U1 трансформируется одновременно в два напряжения: U2 и U3. Такой трансформатор в отличие от обычного двухобмоточного называют трехобмоточным.

Например, трансформатор мощностью 40 MBА с первичным напряжением 110 кВ должен часть мощности отдать рядом расположенному заводу, а часть передать в более отдаленный промышленный район. Магнитный поток, созданный током первичной обмотки, замыкается по магнитопроводу, пересекая витки вторичной обмотки (обмотки НН). На зажимах вторичной обмотки возникает напряжение 6,3 кВ. Если на каждый стержень добавить еще по одной обмотке, расположенной концентрически относительно первых двух, магнитный поток будет пересекать витки этой обмотки так же, как и двух других. Напряжение, которое возникает на зажимах обмотки СН, будет пропорционально числу ее витков ω3.

Рисунок 9 – Однолинейный трехобмоточный трансформатор с переменной связью измерителя тока (в общем виде)

По существу трехобмоточный трансформатор представляет собой два трансформатора, которые могут работать как раздельно, т. е. в разное время, так и одновременно. Но, конечно, мощность 40 MBА, получаемая первичной обмоткой, должна быть всегда равна суммарной нагрузке вторичной и третьей обмоток. Подведите итог презентации, повторив важные моменты уроков. Что должны запомнить слушатели после презентации? Сохраните презентацию на видео для удобства распространения. (Чтобы создать видео, откройте вкладку

По существу трехобмоточный трансформатор представляет собой два трансформатора, которые могут работать как раздельно, т. е. в разное время, так и одновременно. Но, конечно, мощность 40 MBА, получаемая первичной обмоткой, должна быть всегда равна суммарной нагрузке вторичной и третьей обмоток.

Подведите итог презентации, повторив важные моменты уроков.

Что должны запомнить слушатели после презентации?

Сохраните презентацию на видео для удобства распространения. (Чтобы создать видео, откройте вкладку "Файл" и выберите команду "Доступ". В разделе "Типы файлов" щелкните "Создать видео").

Рисунок 10 - Повторение элементов схемы

Microsoft Инженерное мастерство Трансформатор напряжения — трансформатор, питающийся от источника напряжения. Типичное применение - преобразование и гальваническая развязка высокого напряжения в низкое в измерительных цепях. Применение трансформатора напряжения позволяет изолировать логические цепи защиты и цепи измерения от цепи высокого напряжения. Рисунок 11 –Схема в сборе Конфиденциальная информация Майкрософт

Microsoft Инженерное мастерство

Трансформатор напряжения — трансформатор, питающийся от источника напряжения. Типичное применение - преобразование и гальваническая развязка высокого напряжения в низкое в измерительных цепях. Применение трансформатора напряжения позволяет изолировать логические цепи защиты и цепи измерения от цепи высокого напряжения.

Рисунок 11 –Схема в сборе

Конфиденциальная информация Майкрософт

Выполнить задания по вариантам: Вариант 2 Двухполупериодный выпрямитель со средней точкой Вариант 1 Однополупериодный выпрямитель Вариант 4 Однофазный мостовой выпрямитель Вариант 3 Мостовой выпрямитель Вариант 5 Каскад лампового усилителя на средних частотах Вариант 6 Транзисторный каскад усиления на средних частотах Рисунок 14 Автогенератор гармонических колебаний с емкостной связью Рисунок 14 Автогенератор гармонических колебаний с емкостной связью Рисунок 14 Автогенератор гармонических колебаний с емкостной связью Рисунок 14 Автогенератор гармонических колебаний с емкостной связью Рисунок 14 Автогенератор гармонических колебаний с емкостной связью          

Выполнить задания по вариантам:

Вариант 2 Двухполупериодный выпрямитель со средней точкой

Вариант 1 Однополупериодный выпрямитель

Вариант 4 Однофазный мостовой выпрямитель

Вариант 3 Мостовой выпрямитель

Вариант 5 Каскад лампового усилителя на средних частотах

Вариант 6 Транзисторный каскад усиления на средних частотах

Рисунок 14 Автогенератор гармонических колебаний с емкостной связью

Рисунок 14 Автогенератор гармонических колебаний с емкостной связью

Рисунок 14 Автогенератор гармонических колебаний с емкостной связью

Рисунок 14 Автогенератор гармонических колебаний с емкостной связью

Рисунок 14 Автогенератор гармонических колебаний с емкостной связью

 

 

 

 

 

Вариант 7 Транзисторный каскад усиления Вариант 8 Усилитель мощности Вариант 9 Усилитель напряжения с температурной стабилизацией Вариант 10 Усилитель напряжения

Вариант 7 Транзисторный каскад усиления

Вариант 8 Усилитель мощности

Вариант 9 Усилитель напряжения с температурной стабилизацией

Вариант 10 Усилитель напряжения

Microsoft Инженерное мастерство Фрагмент урока Достаточно ли лаконична презентация? Переместите излишнее содержимое в приложение. Используйте слайды приложения для содержимого, ссылка на которое может потребоваться при показе слайда вопроса, или которое может быть полезно слушателям для более глубокого изучения в будущем. Конфиденциальная информация Майкрософт

Microsoft Инженерное мастерство

Фрагмент урока

Достаточно ли лаконична презентация? Переместите излишнее содержимое в приложение.

Используйте слайды приложения для содержимого, ссылка на которое может потребоваться при показе слайда вопроса, или которое может быть полезно слушателям для более глубокого изучения в будущем.

Конфиденциальная информация Майкрософт

Microsoft Инженерное мастерство СПАСИБО ЗА ВНИМАНИЕ! Конфиденциальная информация Майкрософт

Microsoft Инженерное мастерство

СПАСИБО ЗА ВНИМАНИЕ!

Конфиденциальная информация Майкрософт

-80%
Курсы дополнительного образования

Создание динамических веб-страниц с помощью PHP и MySQL

Продолжительность 72 часа
Документ: Cвидетельство о прохождении курса
4000 руб.
800 руб.
Подробнее
Скачать разработку
Сохранить у себя:
Презентация по информатике "Использование ИТ в электроэнергетике" (3.44 MB)

Комментарии 0

Чтобы добавить комментарий зарегистрируйтесь или на сайт