Закон Ома для участка цепи. Сопротивление
Список вопросов теста
Вопрос 1
Какие величины характеризуют любую электрическую цепь?
Варианты ответов
- сила тока, напряжение, длина проводника
- сила тока, работа тока, сопротивление
- сила тока, напряжение, сопротивление
Вопрос 2
Как сила тока в проводнике зависит от сопротивления проводника?
Варианты ответов
- сила тока обратно пропорциональна сопротивлению
- сила тока не зависит от сопротивления
- сила тока прямо пропорциональна сопротивлению
Вопрос 3
Закон Ома для участка цепи:
Варианты ответов
- сопротивление прямо пропорционально напряжению и обратно пропорционально силе тока
- напряжение прямо пропорционально силе тока и сопротивлению
- сила тока прямо пропорциональна напряжению и обратно пропорциональна сопротивлению
Вопрос 4
Чему равно сопротивление нагревательного элемента кипятильника, если напряжение осветительной сети 220 В, а сила тока в нагревательном элементе 5 А? Внесите в строку числовой ответ без единиц измерения
Вопрос 5
Сопротивление проводника равно 1 Ом. Какой из графиков правильно выражает зависимость силы тока в проводнике от напряжения на его концах?
Варианты ответов
- 1
- 2
- 3
Вопрос 6
Что определяет сопротивление проводника?
Варианты ответов
- напряжение и сила тока в проводнике
- длина проводника и сила тока в нем
- вещество проводника, его длина и площадь поперечного сечения
Вопрос 7
Чему равна площадь поперечного сечения константановой проволоки длиной 150 м, из которой изготовили реостат сопротивлением 600 Ом? Удельное сопротивление константана р = 0,50 Ом*мм2/м. Внесите числовой ответ в строку без единиц измерения
Вопрос 8
Если длину проволоки и диаметр ее поперечного сечения увеличить в 2 раза, то сопротивление проволоки
Варианты ответов
- не изменится
- уменьшится в 4 раза
- увеличится в 2 раза
- уменьшится в 2 раза
Вопрос 9
Три проводника с одинаковыми сопротивлениями R1=R2=R3=18 Ом подключены к источнику с напряжением 18 В так, как изображено на рисунке. Каковы показания амперметра? Внесите числовой ответ в строку без единиц измерения
Вопрос 10
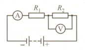
На рисунке изображены два соединенных проводника. Амперметр показывает силу тока 2 А. Какое напряжение показывает вольтметр, если сопротивление второго проводника равно 6 Ом? Внесите в строку числовой ответ без единиц измерения


