Принципы радиосвязи и телевидения. Пёрышкин.
Список вопросов теста
Вопрос 1
Что называется радиосвязью?
Варианты ответов
- Приём информации с помощью механических колебаний.
- Передача информации с помощью электромагнитных волн
- Передача и приём информации с помощью электромагнитных волн.
- Передача и приём информации с помощью механических колебаний
Вопрос 2
На рисунке изображена блок-схема передающего устройства радиотелефонной связи.
Цифрами обозначены основные компоненты этого устройства. Установите соответствие между названием этих компонент и их буквенными обозначениями.

1.
Генератор электрических колебаний всокой частоты (ГВЧ)
2.
Микрофон
3.
Модулирующее устройство
4.
Передающая антенна
Варианты ответов
- d
- c
- b
- a
Вопрос 3
На рисунке изображена блок-схема радиоприёмного устройства радиотелефонной связи. Цифрами обозначены основные компоненты этого устройства.
Установите соответствие между названием этих компонент и их буквенными обозначениями.
.
1.
Динимик
2.
Приёмная антенна
3.
Приёмный колебательный контур и детектор
Варианты ответов
- a
- b
- c
Вопрос 4
Радиоприёмник принимает электромагнитные волны с периодом колебаний в волне Т. Как можно настройку радиоприёмника, чтобы он принимал электромагнитные волны с периодом в 2 раза больше? Используйте формулу Томсона.

Варианты ответов
- Увеличить электроёмкость принимающего контура радиоприёмника в 4 раза
- Уменьшить электроёмкость принимающего контура радиоприёмника 4 раза
- Увеличить индуктивность принимающего контура радиоприёмника в 4 раза
- Уменьшить индуктивность принимающего контура радиоприёмника в 4 раза
Вопрос 5
Как называется процесс, обратный модуляции?
Вопрос 6
Способ связи, при котором доступ к абонентским линиям или к каналу связи происходит без использования кабеля, а связь с абонентским устройством осуществляется по радиоканалу называется ...

Варианты ответов
- Телевидение
- Такого способа связи ещё не существует
- Мобильная радиосвязь
Вопрос 7
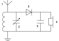
На рисунке изображена схема детекторного радиоприёмника. С помощью какого элемента радиоприемника производится его настройка на определенную частоту радиоволны?

Варианты ответов
- 2 - конденсатор переменной ёмкости
- 1 - приёмная антенна
- 3 - детектор
- 4 - динамик
Вопрос 8
Как называется процесс изменения амплитуды высокочастотных колебаний с частотой, равной частоте звукового сигнала. Запишите ответ сочетанием двух слов.
Вопрос 9
1.Кто первым экспериментально доказал существование электромагнитных волн.
2.Кто первым использовал способность радиоволн передавать информацию на большие расстояния?
Варианты ответов
- 1. Гульельмо Маркони 2. Александр Попов
- 1. Джеймс Максвелл 2. Генрих Герц
- 1. Александр Попов 2. Джеймс Максвелл
- 1. Генрих Герц 2. Александр Попов
Вопрос 10
Какова длина волны, если радиостанция ведет вещание на частоте 75 МГц? Скорость электромагнитной волны 300 000 км/с.
Варианты ответов
- 40 см
- 4 м
- 40 м


