Подготовка к ВПР1
Список вопросов теста
Вопрос 1
Запиши наибольшее натуральное двузначное четное число, которое меньше 50 и делится на 7 и 14.
Вопрос 2
Найдите значение выражения
Вопрос 3
Петя готовил уроки 1 ч 40 мин. На математику он потратил этого времени, а оставшееся время потратил на географию. Сколько минут Петя готовил географию? (запиши в ответ только число)
Вопрос 4
При каком значении x верно равенство:
Вопрос 5
Используя диаграмму, ответьте на вопрос.
В каком кружке больше всего учащихся?
Варианты ответов
- Туристический
- Математический
- Музыкальный
- Литературный
Вопрос 6
В таблице приведены данные о численности населения трёх областей России в разные годы (в тыс. человек). Используя эти данные, ответьте на вопрос.
| Область | Численность населения | ||||
| 1970 г. | 1979 г. | 1990 г. | 2000 г. | 2010 г. | |
| Астраханская | 1400 | 1467 | 1575 | 1390 | 1230 |
| Мурманская | 800 | 965 | 1191 | 941 | 795 |
| Калининградская | 730 | 807 | 881 | 959 | 940 |
В какой области численность населения за период с 1970 по 2010 год выросла больше, чем в двух других?
Варианты ответов
- Астраханская
- Мурманская
- Калининградская
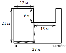
Вопрос 7
На рисунке изображён план сада, вдоль периметра которого нужно вырыть канаву.
Какова будет длина канавы? В ответе запиши только число
Вопрос 8
Сколько минут в ч?
В ответе запи только число
Вопрос 9
Трое маляров могут закончить работу за 5 дней. Для ускорения работы добавили ещё двух маляров. За сколько дней они закончат работу, если все маляры работают с одинаковой производительностью?
В ответе запиши только число


