Электрические измерения
Список вопросов теста
Вопрос 1
Укажите цель метрологии:
Варианты ответов
- обеспечение единства измерений с необходимой и требуемой, точностью;
- усовершенствование способов передачи единиц измерений от эталона к измеряемому объекту.
- совершенствование эталонов единиц измерения для повышения их точности;
- разработка новой и совершенствование, действующей правовой и нормативной базы
- разработка и совершенствование средств и методов измерений повышения их точности
Вопрос 2
Укажите задачи метрологии:
Варианты ответов
- обеспечение единства измерений с необходимой и требуемой, точностью;
- усовершенствование способов передачи единиц измерений от эталона к измеряемому объекту.
- совершенствование эталонов единиц измерения для повышения их точности;
- разработка новой и совершенствование, действующей правовой и нормативной базы
- разработка и совершенствование средств и методов измерений, повышение их точности;
- установление и воспроизведение в виде эталонов единиц измерений
- разработка новой и совершенствование действующей правовой и нормативной базы
Вопрос 3
При каких видах измерений искомое значение величины получают непосредственно от средства измерений:
Варианты ответов
- при динамических;
- при косвенных;
- при многократных;
- при однократных;
- при прямых;
- при статических.
Вопрос 4
Укажите виды измерений, при которых определяются фактические значения нескольких одноименных величин, а значение искомой величины находят решением системы уравнений:
Варианты ответов
- дифференциальные;
- сравнительные.
- совокупные;
- совместные;
- прямые;
Вопрос 5
Укажите виды измерений, при которых определяются фактические значения нескольких неоднородных величин для нахождения функциональной зависимости между ними:
Варианты ответов
- преобразовательные;
- прямые;
- совместные;
- совокупные;
- сравнительные
Вопрос 6
Какие средства измерений предназначены для воспроизведения и/или хранения физической величины:
Варианты ответов
- вещественные меры;
- индикаторы;
- измерительные приборы;
- измерительные системы;
- измерительные установки;
- измерительные преобразователи;
- стандартные образцы материалов и веществ;
Вопрос 7
Какие средства измерений представляют собой совокупность измерительных преобразователей и отсчетного устройства:
Варианты ответов
- вещественные меры;
- измерительные приборы;
- измерительные системы;
- измерительные установки
- индикаторы;
Вопрос 8
Погрешностью результата измерений называется:
Варианты ответов
- отклонение результатов последовательных измерений одного и того же параметра
- разность показаний двух однотипных приборов полученные при измерения отного и того же параметра
- отклонение результатов измерений от истинного (действительного) значения
- отклонение результатов измерений одной и той же пробы с помощью различных методик
Вопрос 9
Дайте характеристику прямым измерениям:
Варианты ответов
- первоначальная величина рассчитывается посредством сравнительного метода с мерой установленной величины
- наиболее точное определения измеряемой величины
- первоначальная величина рассчитывается на основании имеющихся результатов после использования прямых измерений иных физических величин, которые взаимосвязаны с первоначальной установленной зависимостью
Вопрос 10
Какие измерения называют статическими измерениями:
Варианты ответов
- измерения, выполненные в стационарных условиях
- измерения, осуществляемые при постоянной измеряемой величине
- измерения, при которых первоначальное значение физической величины определяется сравнительным методом со значением исследуемой величины
Вопрос 11
Какие измерения называют динамическими измерениями:
Варианты ответов
- измерения, выполненные в стационарных условиях
- измерения, осуществляемые при постоянной измеряемой величине
- измерения, при которых первоначальное значение физической величины определяется сравнительным методом со значением исследуемой величины
- измерения изменяющейся во времени физической величины, которые представляется совокупностью ее значений с указанием моментов времени, которым соответствуют эти значения
Вопрос 12
Что определяет абсолютную погрешностью измерения:
Варианты ответов
- разница между измеренным и действительным показателем измеряемой величины
- составляющая погрешности измерений, объясняемая несовершенством используемого метода для измерения
- следствие воздействия отклонений в сторону любого из параметров, определяющих условия измерения
Вопрос 13
Что определяет относительную погрешность?
Варианты ответов
- отклонение в сторону одного из параметров, характеризующих измерительные условия
- составляющая погрешности измерений, не зависящая от значения измеряемой величины
- частное от деления абсолютной погрешности на действительное значение измеряемой величины
Вопрос 14
Систематическая погрешность это:
Варианты ответов
- это часть погрешности, наблюдающаяся в череде измерений
- это часть погрешности, определяемая измеряемой величиной
- это часть погрешности, независимая от измеряемой величиной
Вопрос 15
Что называют случайной погрешностью:
Варианты ответов
- часть погрешности случайным образом, изменяющаяся при повторных измерениях
- разность между измеренным и действительным значением измеряемой величины
- максимальная погрешность измерений
- минимальная погрешность измерений
Вопрос 16
Как называется единица физической величины, условно принятая в качестве независимой от других физических величин:
Варианты ответов
- внесистемная
- дольная
- системная
- кратная;
- основная.
Вопрос 17
Как называется единица физической величины, определяемая через основную единицу физической величины
Варианты ответов
- внесистемная
- производная
- системная
- кратная;
- основная.
Вопрос 18
Как называется единица физической величины в целое число раз меньше системной единицы физической величины:
Варианты ответов
- внесистемная
- дольная
- системная
- кратная;
- основная.
Вопрос 19
Как называется единица физической величины в целое число раз больше системной единицы физической величины:
Варианты ответов
- внесистемная
- дольная
- системная
- кратная;
- основная.
Вопрос 20
Укажите нормированные метрологические характеристики средств измерений:
Варианты ответов
- диапазон показаний;
- точность измерений;
- единство измерений;
- порог измерений;
- воспроизводимость;
- погрешность
Вопрос 21
Как называется отношение изменения сигнала на выходе измерительного прибора к вызывающему его изменению измеряемой величины:
Варианты ответов
- диапазон измерения;
- диапазон показаний
- порог чувствительности
- цена деления шкалы
- чувствительность
Вопрос 22
Как называется совокупность операций, выполняемых в целях подтверждения соответствия средств измерений метрологическим требованиям:
Варианты ответов
- надзор.
- поверка
- калибровка
- сертификация
- аккредитация
- контроль
Вопрос 23
. Калибровка — это:
Варианты ответов
- совокупность операций, выполняемых в целях подтверждения соответствия средств измерений метрологическим требованиям;
- совокупность основополагающих нормативных документов, предназначенных для обеспечения единства измерений с требуемой точностью;
- Совокупность операций, выполняемых в целях определения действительных значений метрологических характеристик средств измерений
Вопрос 24
Косвенные измерения - это такие измерения, при которых:
Варианты ответов
- искомое значение величины определяют по результатам измерений нескольких физических величин
- искомое значение физической величины определяют путем сравнения с мерой этой величины
- искомое значение величины определяют на основании результатов прямых измерений других физических величин, связанных с искомой известной функциональной зависимостью
Вопрос 25
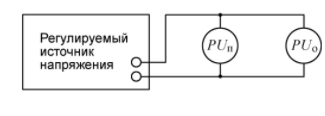
Укажите устройство и метод поверки, изображенны на схеме

Варианты ответов
- поверка вольтметра методом непосредственного сличения с образцовым
- поверка амперметра методом непосредственного сличения с образцовым
- поверка вольтметра методом прямых измерений
- поверка омметра методом непосредственного сличения с образцовым
- поверка омметра методом прямых измерений
- поверка амперметра методом прямых измерений
Вопрос 26
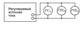
Укажите измерительный прибор и метод поверки, изображенны на схеме

Варианты ответов
- поверка вольтметра методом непосредственного сличения с образцовым
- поверка амперметра методом непосредственного сличения с образцовым
- поверка вольтметра методом прямых измерений
- поверка омметра методом непосредственного сличения с образцовым
- поверка омметра методом прямых измерений
- поверка амперметра методом прямых измерений
Вопрос 27
Укажите измерительный прибор и метод поверки, изображенны на схеме

Варианты ответов
- поверка вольтметра методом непосредственного сличения с образцовым
- поверка амперметра методом непосредственного сличения с образцовым
- поверка вольтметра методом прямых измерений
- поверка омметра методом непосредственного сличения с образцовым
- поверка омметра методом прямых измерений
- поверка амперметра методом прямых измерений
Вопрос 28
Укажите измерительный прибор и метод поверки, изображенны на схеме

Варианты ответов
- поверка вольтметра методом непосредственного сличения с образцовым
- поверка амперметра методом непосредственного сличения с образцовым
- поверка вольтметра методом прямых измерений
- поверка частотомера методом непосредственного сличения с образцовым
- поверка омметра методом прямых измерений
- поверка амперметра методом прямых измерений
Вопрос 29
Укажите измерительный прибор и метод поверки, изображенны на схеме

Варианты ответов
- поверка вольтметра методом непосредственного сличения с образцовым
- поверка амперметра методом непосредственного сличения с образцовым
- поверка вольтметра методом прямых измерений
- поверка омметра методом непосредственного сличения с образцовым
- поверка омметра методом прямых измерений
- поверка амперметра методом прямых измерений
Вопрос 30
Укажите измерительный прибор и метод поверки, изображенны на схеме

Варианты ответов
- поверка вольтметра методом непосредственного сличения с образцовым
- поверка амперметра методом непосредственного сличения с образцовым
- поверка вольтметра методом прямых измерений
- поверка омметра методом непосредственного сличения с образцовым
- поверка омметра методом прямых измерений
- поверка амперметра методом прямых измерений
Вопрос 31
Укажите измерительный прибор и метод поверки, изображенны на схеме

Варианты ответов
- поверка вольтметра методом непосредственного сличения с образцовым
- поверка амперметра методом непосредственного сличения с образцовым
- поверка вольтметра методом прямых измерений
- поверка омметра методом непосредственного сличения с образцовым
- поверка омметра методом прямых измерений
- поверка амперметра методом прямых измерений



Здравствуйте. Благодарим Вас за внимание к нашему сайту. Ответы на тест от пользователя сайта предоставить не можем. Если у Вас возникнут вопросы, напишите, пожалуйста, в нашу службу техподдержки на email: [email protected]
Скиньте ответы пожалуйста