Як-42 управление
Список вопросов теста
Вопрос 1
Бустерная система установлена в управлении...
Варианты ответов
- Элеронами
- Рулем направления
- Рулем высоты
Вопрос 2
САУ-42 это
Варианты ответов
- Система автоматического управления
- Система аварийного управления
- Самолётная аварийная установка
Вопрос 3
Углы отклонения элеронов соответствуют
Варианты ответов
-
\(\pm\)25 град
-
\(\pm\)30 град
-
\(\pm\)20 град
Вопрос 4
На данном рисунке изображена часть системы управления
Варианты ответов
- рулем высоты
- элеронами
- закрылками
Вопрос 5
Тяга управления элеронами, перемещающаяся в семи люнетах соединена с... и проложена...
Варианты ответов
- Горизонтальным валом... по середине фюзеляжа под полом
- штурвалом... по левому борту под полом
- качалкой, установленной на рычаге шкворня колонки... по правому борту под полом
Вопрос 6
Управление элеронами от автопилота осуществляет...
Варианты ответов
- УГ149
- БУ-270
- РД-12
Вопрос 7
На рисунке изображен механизм...
Варианты ответов
- Управления элероном
- Управления триммером элерона
- Управления рулем высоты
- Управления триммером руля высоты
Вопрос 8
Руль направления отклоняется на максимальный угол равный...
Варианты ответов
-
\(\pm\)30 градусов
-
\(\pm\)25 градусов
-
\(\pm\)17 градусов
Вопрос 9
Под цифрой 1 на рисунке изображен... и служит для...
Варианты ответов
- Датчик ДС-10... для передачи величины отклонения педалей на приборную панель
- механизм УТ-100Г... для синхронизации левых и правых педалей
- механизм УТ-10В... для регулировки длины педалей
Вопрос 10
Где установлен механизм ограничения хода педалей?
Варианты ответов
- на 59 шпангоуте
- на втором лонжероне киля
- на кронштейне педальной установки
Вопрос 11
При основном управлении стабилизатором вращается...
Варианты ответов
- Винт и гайка механизма перекладки стабилизатора
- Гайка механизма перекладки стабилизатора
- Винт механизма перекладки стабилизатора
Вопрос 12
Время выпуска закрылков на 45 градусов должно быть...
Варианты ответов
- Не более 9 секунд
- Не более 30 секунд
- Не более 20 секунд
Вопрос 13
На данном рисунке изображены... и относятся к системе
Варианты ответов
- рулевые машины... автоматическое управление элеронами
- гидромоторы... управление перекладкой стабилизатора
- Винтовые механизмы... управление предкрылками
- Винтовые механизмы... управление закрылками
Вопрос 14
Управление закрылками осуществляется...
Варианты ответов
- Переключателями расположенными на среднем пульте
- Переключателями расположенными на пульте второго пилота
- Рычагом управления закрылками расположенным на приборной доске
Вопрос 15

На данном рисунке изображен узел...
Варианты ответов
- Стопорения элеронов
- Системы автоуправления САУ-42
- Управления триммером руля высоты
- Дискретного управления стабилизатором
Вопрос 16
Как определяется нейтральное положение триммеров?
Варианты ответов
- Коротким звуковым сигналом
- Загоранием светового табло ТРИММ. НЕЙТР.
- Загоранием зеленой лампочки ТРИММ. НЕЙТР.
Вопрос 17
Предусмотрен ли выпуск предкрылков без выпуска закрылков?
Варианты ответов
- Да
- Нет
Вопрос 18

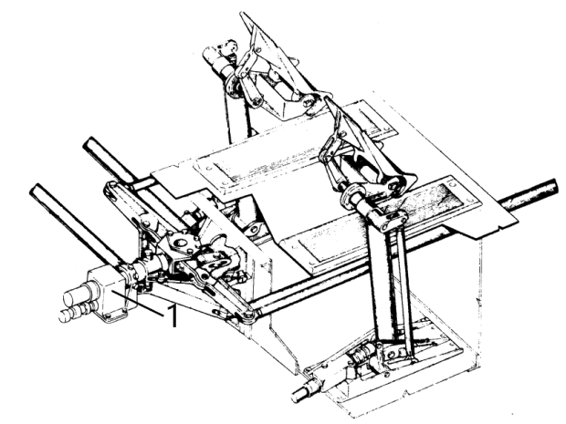
На данном рисунке изображен узел управления. Цифра 4 обознчает
Варианты ответов
- Тягу от штурвала
- Тягу от педальной установки
- Тягу, идущую к элеронам
- Тягу, идущую к рулю направления
Вопрос 19
Перечислите основные части механизма перекладки стабилизатора
Варианты ответов
- Винт
- Гайка
- Редуктор привода винта
- Редуктор привода гайки
- Тормоз винта
- Тормоз гайки
- Рулевой привод
- Редуктор перекладки
Вопрос 20
К какой системе относится данный узел? Где он расположен?
Варианты ответов
- К системе управления триммером руля высоты. В стабилизаторе
- К системе управления триммером руля направления. На заднем лонжероне киля
- К системе САУ-42 управления элеронами. Под полом кабины за 44 шп.
- К системе управления элеронами. Под полом кабины за 44 шп.


