Заочники
Список вопросов теста
Вопрос 1
роль коллектора в генераторе постоянного тока
Варианты ответов
- a. механический инвертор
- b. механический выпрямитель
- c. уменьшение потерь при токосъеме
- d. улучшение коммутации
Вопрос 2
на проводник с током, находящийся в магнитном поле, действует электромагнитная сила f =4 н. определите силу тока в проводнике, если магнитная индукция в=1,6 тл, а длина проводника составляет l=25 см. (ОК 1, З 1)
Варианты ответов
- a. 1,6 а
- b. 10 а
- c. 0,1 а
- d. 25,6 а
Вопрос 3
выберите вариант, при котором в проводнике не будет наводиться эдс. (ОК 4, У 1)
Варианты ответов
- a. проводник движется в постоянном магнитном поле
- b. постоянное магнитное поле движется относительно проводника
- c. проводник находится в переменном магнитном поле
- d. проводник находится в постоянном магнитном поле
Вопрос 4
Вычислить эквивалентную емкость электрической цепи, состоящей из двух последовательных конденсаторов с емкостью 18мкФ. (ОК 2, З 3)
Ответ в мкФ. (В ответе запимать только число)
Вопрос 5
эдс генератора постоянного тока составляет 36 в. для увеличения мощности энергетической установки при напряжении сети 36 в необходимо подключить еще один генератор. выберите величину эдс генератора и способ подключения
Варианты ответов
- a. 36 в, последовательно
- b. 36 в, параллельно
- c. 48 в, параллельно
- d. 24 в, последовательно
Вопрос 6
Выбрать соответствие между физическими величинами и прибором, которым измеряется данная физическая величина: (ПК 1, У 3)
1.
Напряжение
2.
Сила тока
3.
Электрическое сопротивление
4.
Мощность
Варианты ответов
- Вольтметр
- Амперметр
- Омметр
- Ваттметр
Вопрос 7
более точный прибор имеет класс точности
Варианты ответов
- a. 0,05
- b. 0,5
- c. 2,5
- d. 4,0
Вопрос 8
при увеличении частоты переменного тока в цепи с индуктивным сопротивлением в 2 раза величина тока в цепи(ПК 2.5, 3 2)
Варианты ответов
- a. увеличилось в 2 раза
- b. не изменилось
- c. уменьшилось в 4 раза
- d. увеличилось в 4 раза
- e. уменьшилось в 2 раза
Вопрос 9
В электрической цепи переменного тока, содержащей только активное сопротивление, колебания силы тока: (ПК 2.5, З 2)
Варианты ответов
- a. Отстает по фазе от напряжения на 90°.
- b. Опережает по фазе напряжение на 90°.
- c. Совпадает по фазе с напряжением.
- Независим от напряжения.
Вопрос 10
Номинальное напряжение на первичной обмотке трансформатора равно 220 в, а на вторичной обмотке равно 25 в. количество витков вторичной обмотки составляет 60 витков. определите количество витков во первичной обмотке трансформатора (ПК 2.2, У 1)
Варианты ответов
- a. 92 витка
- b. 528 витков
- c. 1936 витков
- d. 147 витков
Вопрос 11
В качестве мощных генераторов используются: (ПК 3, З 1)
Варианты ответов
- a. Асинхронные машины.
- b. Машины постоянного тока.
- c. Синхронные машины
- d. Универсальные коллекторные машины.
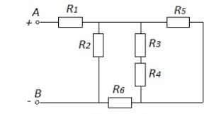
Вопрос 12
Определить эквивалентное сопротивление. В ответе только число.
|
|
|
|
|
|
|
|
1 |
8 |
6 |
2 |
8 |
4 |
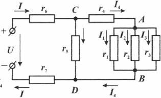
Вопрос 13
Определить силу тока на 5 резисторе.
|
|
|
|
|
|
|
|
I 6, A |
|
6 |
6 |
6 |
6 |
8 |
1 |
1 | 20 |
.
Вопрос 14
Запись первого закона Кирхгофа для узла а.

Варианты ответов
- I1+I2-I4=0
- I1-I2-I3=0
- I1+I2-I3=0
- - I1+I2-I4=0


