ДЗ № 13 Работа, мощность (8 класс)
Список вопросов теста
Вопрос 1
Мальчик разгоняет санки за веревочку, прикладывая горизонтальную силу F = 10 H. Санки увеличивают свою скорость от \(v_1\) = 1 км/ч до \(v_2\)= 9 км/ч. Чему равна максимальная мощность, развиваемая мальчиком? Ответ дать в ваттах
Вопрос 2
Определите работу, которую совершает сила упругости, при растяжении пружины из недеформированного состояния на x = 10 см. При растяжении L = 5 см сила равна F = 10 Н.Ответ дать в джоулях
Вопрос 3
Определите работу силы тяжести, совершенную при подъеме за один край в вертикальное положение однородного бревна массой m= 100 кг и длиной L = 8 м.
Ответ дать в килоджоулях
Вопрос 4
Работа силы может быть:
Варианты ответов
- положительной, отрицательной, нулевой
- только положительной
- только отрицательной
- Либо положительной либо нулевой
Вопрос 5
Тело тянут вдоль горизонтали за веревку по гладкому полу. Веревка всегда горизонтальна, тело не отрывается от пола. Чему равна работа силы тяжести при перемещении тела вдоль горизонта на 5 метров. Сила натяжения нити 3 Н. Масса тела 4 кг.
Вопрос 6
Груз массой m = 2 кг медленно подняли на высоту h = 2 м по гладкой наклонной плоскости с углом \(30^°\), действуя силой F = 30 Н. Найдите суммарную работу всех сил, действующих на тело. Ответ дать в Джоулях.
Вопрос 7
На катер действует сила сопротивления, пропорциональная квадрату скорости катера. Во сколько раз увеличится скорость катера, если мощность повысить в 2 раза? Ответ дать с точностью до десятых. (Округлить до десятых)
Вопрос 8
Мальчик Игорь на мопеде совершил два заезда в течение дня. В первый раз, в безветренную погоду, он ехал со скоростью 20 км/ч. Во время второго заезда дул встречный ветер, и мальчик смог развить скорость лишь 15 км/ч. График зависимости силы сопротивления воздуха от скорости мальчика (в отсутствие ветра) приведён на рисунке. Найдите скорость ветра во время второго заезда. Колеса мопеда не проскальзывают, трением в осях пренебречь. Считайте, что мощность двигателя одинакова во всех заездах.
Ответ выразить в км/час и округлить до целого числа.
Вопрос 9
Ответ дайте в миллиджоулях и округлите до десятых
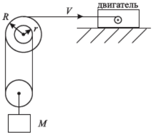
Вопрос 10
Экспериментатор Глюк решил сделать двигатель для подъема грузов. Вся установка состоит из двигателя, блоков и груза массой М = 10 кг, который крепится к подвижному блоку, подвешенному на нити, один из концов которой намотан на шкив, радиус r ㅤ которого в два раза меньше шкива радиуса R, а другой конец перекинут через соосный, скреплённый с первым шкив радиусом R=0,4 м и наматывается на вал, приводимый во вращение при помощи двигателя (см. рисунок). Скорость участка нити, показанного на рисунке равна V=1 м/с. Найдите мощность в Ваттах, которая развивается двигателем при поднятии груза. Считайте, что трение между блоком и нитью достаточное для того, чтобы нить не проскальзывала.


