8 класс
Список вопросов теста
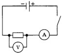
Вопрос 1
На рисунке показана электрическая цепь. Показание вольтметра 8 В, показание амперметра 0,2 А. Сопротивление резистора равно

Варианты ответов
- 0,02 Ом
- 4 Oм
- 50 Ом
- 40 Ом
Вопрос 2
В электрическую цепь последовательно включены два сделанных из одинакового материала резистора сопротивлением 5 Ом и 4 Ом. При прохождении тока по цепи ( Ответ с пояснением)
Варианты ответов
- 1 резистор нагреется сильнее
- оба резистора нагреются одинаково
- 2 резистор нагреется сильнее
- резисторы не нагреются
Вопрос 3
Электрическим током называется …
Варианты ответов
- движение электронов
- упорядоченное движение заряженных частиц
- упорядоченное движение электронов
Вопрос 4
Два мотка медной проволоки одинакового сечения имеют соответственно длину 50 и 150 м. Какой из них обладает большим сопротивлением и во сколько раз?
Варианты ответов
- 1 в 3 раза
- 2 в 3 раза
Вопрос 5
Установите соответствие между физическими величинами и формулами, по которым эти величины можно определить
1.
1) Сила тока
2.
2)Удельное электрическое сопротивление
3.
3) Закон Джоуля - Ленца
4.
Закон Ома
Варианты ответов
- RS/L
- q/t
- U/I
- U*i*t
Вопрос 6
Электрическая цепь, сделанная из никелиновой проволоки длиной 56,25 м и сечением 1,5 мм2 , присоединена к сети напряжением 120 В. Определите силу тока, протекающего по спирали (Ответ с пояснением)
Варианты ответов
- 8 A
- 8 Ом
- 8 Дж.
Вопрос 7
В ядре атома бериллия 9 частиц. Из них 4 нейтрона. Сколько электронов имеет атом в нейтральном состоянии? Сколько протонов содержит ядро?
Варианты ответов
- 4 протонов 5 нейронов
- 5 протонов 4 нейронов
- 3 протонов 4 нейронов
Вопрос 8
В процессе трения о шёлк стеклянная линейка приобрела положительный заряд. Как при этом изменилось количество заряженных частиц на линейке и шёлке. Для каждой величины определите соответствующий характер изменения. ( Ответ с пояснением)
Варианты ответов
- увеличилась
- уменьшилась
- не изменилась
Вопрос 9
Определите сопротивление нихромовой проволоки длиной 40 м и площадью поперечного сечения 0,5 мм2.(Ответ с пояснением)
Варианты ответов
- 88 Ом
- 86 Ом
- 84 Ом


