Рекомендуемое время выполнения заданий – 45 минут.
1. (3 балла) Процесс изготовления изделий из глины и пластилина идентичен, благодаря пластичности материалов. Определите способ окончательного затвердевания, позволяющий сохранить форму изделий из глины надолго:

2. (3 балла) Определите, какая технологическая операция не используется для подготовки стальной заготовки к сверлению сквозного отверстия:
3. (3 балла) Определите, какой материал невозможно просверлить ручной дрелью:
4. (4 балла) Назовите технологическую операцию, которая не применяется при обработке древесины:
5. (4 балла) Возможно ли использовать рейсмус для разметки древесины?

6. (4 балла) Что изображено на рисунке? Запишите полученное слово в ответе в единственном числе без пробелов и знаков препинания.

7. (4 балла) Из данного перечня источником электрической энергии является…
8. (5 баллов) Определите хронологическую последовательность создания данных объектов. Ответ запишите в виде последовательности букв без пробелов и знаков препинания, например, авбг
а) радиоприемник б) телевизор
в) лук г) компьютер
9. (5 баллов) Какой вид художественной обработки возможен с применением режущего инструмента?
10. (5 баллов) В каких операциях робот может заменить деятельность человека?
Рекомендуемое время выполнения заданий – 45 минут.
1. (3 балла) Определите, каким образом можно защитить древесные постройки и продлить их срок службы.

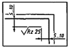
2. (3 балла) Обозначение на чертеже S10 применяют для …

3. (3 балла) Из приведенного перечня определите потребителей электроэнергии.
4. (4 балла) Резание стали столярной пилой приведёт к…

5. (4 балла) Определите преимущественные отличия аккумуляторной электродрели от ручной дрели.
6. (4 балла) Определите, каким инструментом измеряют глубину глухого отверстия в металлической заготовке?

7. (4 балла) Отметьте только источники электроэнергии.
8. (5 баллов) Определите, какой процесс используется при изготовлении проволоки.

9. (5 баллов) Какая порода древесины является самой мягкой?
10. (5 баллов) Установите последовательность операций по оконцовыванию провода в колечко. Ответ запишите в виде последовательности букв без пробелов и знаков препинания, например, авбг

а) снятие изоляции б) разметка провода
в) свёртывание в колечко г) сборка провода
Рекомендуемое время выполнения заданий – 45 минут.
1. (3 балла) Догадайтесь, созданы ли современные мобильные устройства с аккумулятором, не требующим подзарядки?

2. (3 балла) Из перечня устройств выделите то, которое не является потребителем электрического тока.
3. (3 балла) Целью создания новых технологий является:
4. (4 балла) Для открывания крышки дисковода в компьютере используют этот тип передачи движения. Как называется эта передача (… передача)? Запиши в ответе только одно слово в нужной форме без каких-либо знаков препинания.

5. (4 балла) На левом рисунке изображен инструмент, скобель, для ручного снятия коры с древесины. На правом – для механического снятия коры. Определите, какой инструмент выполняет возвратно-поступательное движение вдоль ствола дерева.
6. (4 балла) В процессе резания металлов на токарном станке образование стружки происходит….
7. (4 балла) Определите, какая передача движения осуществляется в ручной механической дрели?

8. (5 баллов) Свойство металла восстанавливать свою первоначальную форму и размеры после прекращения действия внешней силы, вызывающей его деформацию – это…
9. (5 баллов) Какие движения выполняет сверло в сверлильном станке?
10. (5 баллов) Как называется данная передача?

Рекомендуемое время выполнения заданий – 45 минут.
1. (3 балла) Чтобы продлить срок службы деревянной ложки и сохранить её экологическую безопасность, нужно…

2. (3 балла) В проектной деятельности первым выполняется…
3. (3 балла) При точении древесины на деревообрабатывающем станке резцы-стамески должны иметь углы заточки:
4. (4 балла) Струбцина для закрепления заготовки – это:

5. (4 балла) Какому процессу соответствует применение полукруглой стамески при точении заготовки на токарном станке?
6. (4 балла) Определите название предмета, изображенного на картинке. Ответ запишите одним словом в именительном падеже единственном числе без каких-либо знаков препинания.

7. (4 балла) Какое сверло возьмёт Папа Карло, чтобы просверлить глухое отверстие диаметром 40 мм, глубиной 10 мм на сверлильном станке?

8. (5 баллов) При выполнении электрифицированного проекта вычерчивать электросхему ...
9. (5 баллов) Чтобы защитить кровельное железо от коррозии применяют различные способы (назовите 1 основной):
10. (5 баллов) Установите соответствия между этапами и компонентами проектной деятельности. Ответ запишите в виде сочетания цифр и букв без пробелов и каких-либо знаков препинания, располагая цифры в порядке возрастания, например, 1б2а3в

Рекомендуемое время выполнения заданий – 45 минут.
1. (3 балла) К какому типу профессий относится профессия токарь?
2. (3 балла) На каком из рисунков изображен способ закрепления заготовки машинными тисками?
3. (3 балла) Какие материалы используются при изготовлении проволоки методом волочения?
4. (4 балла) Какая из представленных электростанций является самой экологичной?
5. (4 балла) Использование стандартных деталей при проектировании нового изделия приводит к ...?
6. (4 балла) В токарно-винторезном станке основным движением является...
7. (4 балла) Какие термические обработки стальной детали способствуют повышению ее прочности и твердости?
8. (5 баллов) Какие задачи решаются методом мозгового штурма?
9. (5 баллов) Вода в качестве растворителя используется в ….
10. (5 баллов) Определите последовательность чтения чертежей. Ответ запишите в виде последовательности букв без пробелов и знаков препинания, например, авбг
а) определить, какие виды детали даны на чертеже, какой из них является главным
б) определить по чертежу размеры детали и ее элементов
в) прочитать основную надпись чертежа. Из нее можно узнать название детали, наименование материала, из которого ее изготовляют, масштаб изображений и другие сведения
г) рассмотреть виды во взаимной связи и попытаться определить форму детали со всеми подробностями. Этой задаче помогает анализ изображений, данных на чертеже. Представив по чертежу геометрическую форму каждой части детали, мысленно объединяют их в единое целое
Рекомендуемое время выполнения заданий – 45 минут.
1. (3 балла) В классификации профессий к какому типу относится водитель?
2. (3 балла) Определите, какая из перечисленных передач является фрикционной:

3. (3 балла) Способность детали, не разрушаясь, выдерживать нагрузку – это…
4. (4 балла) Производство стали из чугуна позволяет:
5. (4 балла) Станок с автоматизированными операциями от загрузки заготовки до выгрузки изделия, является…
6. (4 балла) При точении детали резец совершает движение…

7. (4 балла) Как называется статическое электромагнитное устройство, имеющее две или более индуктивно связанные обмотки на каком-либо магнитопроводе и предназначенное для преобразования посредством электромагнитной индукции одной или нескольких систем (напряжений) переменного тока в одну или несколько других систем (напряжений), без изменения частоты?
Запишите полученное слово в ответе в именительном падеже единственном числе без пробелов и знаков препинания.
8. (5 баллов) Расставьте по порядку этапы предпринимательской деятельности. Ответ запишите в виде последовательности букв без пробелов и знаков препинания, например, авбг
а) приобретение оборудование и материалов
б) найм сотрудников
в) составление бизнес-плана
г) анализ потребностей рынка и возникновение предпринимательской идеи
9. (5 баллов) Этот механизм передачи движения создал Герон Александрийский. Это устройство представляет собой ни что иное, как редуктор, который используется в качестве лебедки. Как он назывался? Запишите полученное слово в ответе в именительном падеже единственном числе без пробелов и знаков препинания.

10. (5 баллов) Установите соответствие между рисунком и технологической операцией при соединении проводов. Ответ запишите в виде сочетания цифр и букв без пробелов и каких-либо знаков препинания, располагая цифры в порядке возрастания, например, 1б2а3в

Рекомендуемое время выполнения заданий – 45 минут.
1. (3 балла) Определите сырье, которое используют в качестве уплотнителя при соединении водопроводных труб:

2. (3 балла) Подготовка графической документации при разработке творческого проекта осуществляется на....
3. (3 балла) На производстве при разработке технологического процесса технологом не учитывается…
4. (4 балла) Как называется данный процесс обработки металла?

5. (4 балла) Использование лазерных технологий применяется при…
6. (4 балла) Определите, что не является недостатком при естественной сушке пиломатериалов:

7. (4 балла) Как определить место утечки газа в трубе?

8. (5 баллов) На рынке труда участие в регулировании рабочей силы принимают…
9. (5 баллов) На рисунке изображена зубчато-винтовая передача, движение в которой преобразуется по принципу винтовой пары с присущим ей повышенным скольжением. Как называется эта передача (… передача)? Ответ запишите одним словом в нужной форме без каких-либо знаков препинания.

10. (5 баллов) Определите название основной детали технологической машины…